QQ登录

只需一步,快速开始

登录 | 注册 | 找回密码

三维网

 找回密码
 注册

QQ登录

只需一步,快速开始

展开

通知     

全站
10天前
查看: 3028|回复: 10
收起左侧

[讨论] 三通阀类加工工艺讨论

[复制链接]
发表于 2012-11-21 19:41:18 | 显示全部楼层 |阅读模式 来自: 中国湖北武汉

马上注册,结识高手,享用更多资源,轻松玩转三维网社区。

您需要 登录 才可以下载或查看,没有帐号?注册

x
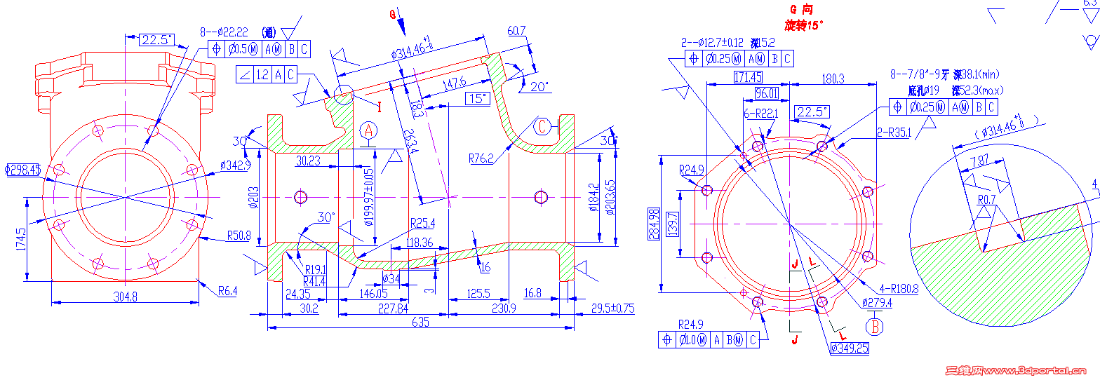
此阀门两相对端面与孔用什么设备加工好?用卧式车床的话工件是否悬的太长?中间法兰孔可否以两相对法兰定位做夹具在卧车上加工?
无标题.png
发表于 2012-11-21 20:04:28 | 显示全部楼层 来自: 中国广东东莞
关键是你单位有什么设备。有卧式镗床的话用它最好:设计一带转台专用夹具,三个端面和孔在一次装夹中加工完成。端面的8个安装用孔在用钻床夹具加工。不过楼主可能要进行基准转换,因为基准A是用不了的,因为两端的孔徑都比它小。基准轴插不进去。可以将左端的184.2的孔提高精度并与A孔同心,用来代替A基准。
 楼主| 发表于 2012-11-21 20:12:45 | 显示全部楼层 来自: 中国湖北武汉
Φ199.97±0.05即A基准处孔是采用反挖,还是从C基准那边进刀?
发表于 2012-11-21 20:27:39 | 显示全部楼层 来自: 中国广东东莞
阿杜 发表于 2012-11-21 20:12 static/image/common/back.gif& s7 o* B+ @* e5 o8 d/ {, @9 N, V
Φ199.97±0.05即A基准处孔是采用反挖,还是从C基准那边进刀?

& M1 b. c- D2 B# e反挖为好。1. 从C基准进刀由于刀杆让刀,进的刻度与实际的尺寸不同。 2. 方便用内徑千分表测量。
发表于 2012-11-21 20:47:34 | 显示全部楼层 来自: 中国福建莆田
立式车床铣床更方便吧?
发表于 2012-11-21 21:00:25 | 显示全部楼层 来自: 中国广东东莞
eric-xm 发表于 2012-11-21 20:47 static/image/common/back.gif
8 b3 w/ Z/ k7 F3 \5 p! I' S9 B立式车床铣床更方便吧?

2 @8 B/ ]# x1 D. f6 q; [4 U车铣床是可以。主要是单侧进刀时刀杆太长,加工精度可能不好保证。双侧进刀则要夹具,工件较大,加上夹具一般车铣床工作台可能不够。再可能一般厂家没有它,故按卧式镗床讲的。
 楼主| 发表于 2012-11-21 22:22:00 | 显示全部楼层 来自: 中国湖北武汉
tangcarlos3d 发表于 2012-11-21 20:04 static/image/common/back.gif7 B: Y& m( K, B7 z' j% q# k6 R9 S
关键是你单位有什么设备。有卧式镗床的话用它最好:设计一带转台专用夹具,三个端面和孔在一次装夹中加工完 ...

( q, G! t% B8 X9 T我单位现在正在考虑购买加工设备进行批量生产,卧式镗床的话端面可以铣削,那么切槽和倒角如何处理呢?做专用刀具吗?
发表于 2012-11-21 23:07:14 | 显示全部楼层 来自: 中国广东东莞
阿杜 发表于 2012-11-21 22:22 static/image/common/back.gif
6 o6 ?3 y8 L3 t% l# `6 f我单位现在正在考虑购买加工设备进行批量生产,卧式镗床的话端面可以铣削,那么切槽和倒角如何处理呢?做 ...

# r4 b; @9 v8 r  W5 V: h切槽有切槽刀,倒角也有倒角刀(如果不是大倒角的话)直接靠车。因为两端镗时刀杆较短,刚性足,可以直接靠车。
发表于 2012-11-22 00:12:21 | 显示全部楼层 来自: 加拿大
从结构来说 应该用卧式加工中心 适宜加工此件,需要设置专用夹具及刀具,精度高的选用可调整刀具
头像被屏蔽
发表于 2012-11-22 09:14:35 | 显示全部楼层 来自: 中国山东滨州
提示: 作者被禁止或删除 内容自动屏蔽
发表于 2012-11-22 19:12:20 | 显示全部楼层 来自: 中国山东烟台
卧加一次装夹完成
发表回复
您需要登录后才可以回帖 登录 | 注册

本版积分规则


Licensed Copyright © 2016-2020 http://www.3dportal.cn/ All Rights Reserved 京 ICP备13008828号

小黑屋|手机版|Archiver|三维网 ( 京ICP备2023026364号-1 )

快速回复 返回顶部 返回列表