QQ登录

只需一步,快速开始

登录 | 注册 | 找回密码

三维网

 找回密码
 注册

QQ登录

只需一步,快速开始

展开

通知     

查看: 5216|回复: 10
收起左侧

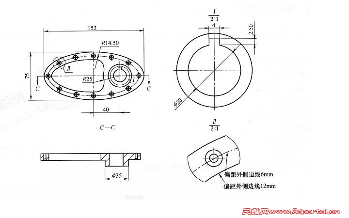
[已解决] solidwoks中如何在椭圆上等距阵列螺孔?

[复制链接]
发表于 2012-9-5 16:57:31 | 显示全部楼层 |阅读模式 来自: 中国安徽滁州

马上注册,结识高手,享用更多资源,轻松玩转三维网社区。

您需要 登录 才可以下载或查看,没有帐号?注册

x
请大家指导一下,详细操作。谢谢 椭圆.JPG
4 A4 t+ s1 M/ Y( U) b
发表于 2012-9-5 17:07:40 | 显示全部楼层 来自: 中国福建厦门
QQ截图20120905170818.jpg
2 y0 w1 R0 B) k" I

评分

参与人数 1三维币 +3 收起 理由
★新手★ + 3 应助

查看全部评分

发表于 2012-9-5 17:08:18 | 显示全部楼层 来自: 中国河北秦皇岛
看看学习下
 楼主| 发表于 2012-9-5 17:13:09 | 显示全部楼层 来自: 中国安徽滁州
tohoto 发表于 2012-9-5 17:07 static/image/common/back.gif

+ ?2 T( I4 n/ F8 a等间距10是怎么得来的?
发表于 2012-9-5 22:50:30 | 显示全部楼层 来自: 中国山西运城
单位增量值里面设置的,这个在绘图中间是否可以随意变换数值不知道方便不?2楼指点下吧
发表于 2012-9-6 08:15:37 | 显示全部楼层 来自: 中国福建宁德
快乐简单 发表于 2012-9-5 17:13 static/image/common/back.gif
& F- q3 v8 R  z: Y! x等间距10是怎么得来的?
1 u& @4 |( S/ ^* v7 M# {, H
不是等间距为10   而是你选择了等间距 软件帮你自动计算  看到等间距选顶是打勾的吗   下面距离10为灰色
/ Z- y9 t. l- ?当你不选择等间距时  就可以对这个距离10进行设置  你想两个螺孔距离多少就可以自己设置了

评分

参与人数 1三维币 +3 收起 理由
★新手★ + 3 技术讨论

查看全部评分

 楼主| 发表于 2012-9-6 09:10:17 | 显示全部楼层 来自: 中国安徽滁州
bbaaiiyy 发表于 2012-9-6 08:15 static/image/common/back.gif) R4 `: i* g8 x0 m; y, I
不是等间距为10   而是你选择了等间距 软件帮你自动计算  看到等间距选顶是打勾的吗   下面距离10为灰色  ...

$ u" l% T' P; V, l  j3 |. R) B& F$ |明白了,谢谢你的解答。
发表于 2012-9-6 09:27:10 | 显示全部楼层 来自: 中国山东济南
曲线驱动阵列就好
发表于 2012-9-6 09:42:12 | 显示全部楼层 来自: 中国山东济南
LZ看一下  尺寸为大体尺寸 没有细化
未命名.JPG

5.rar

154.46 KB, 下载次数: 16

评分

参与人数 1三维币 +5 收起 理由
★新手★ + 5 应助

查看全部评分

 楼主| 发表于 2012-9-6 09:45:55 | 显示全部楼层 来自: 中国安徽滁州
谢谢楼上的帮助
发表于 2012-9-8 16:58:03 | 显示全部楼层 来自: 中国安徽黄山
阿帕奇给我几分啊!
发表回复
您需要登录后才可以回帖 登录 | 注册

本版积分规则


Licensed Copyright © 2016-2020 http://www.3dportal.cn/ All Rights Reserved 京 ICP备13008828号

小黑屋|手机版|Archiver|三维网 ( 京ICP备2023026364号-1 )

快速回复 返回顶部 返回列表