QQ登录

只需一步,快速开始

登录 | 注册 | 找回密码

三维网

 找回密码
 注册

QQ登录

只需一步,快速开始

展开

通知     

查看: 1500|回复: 7
收起左侧

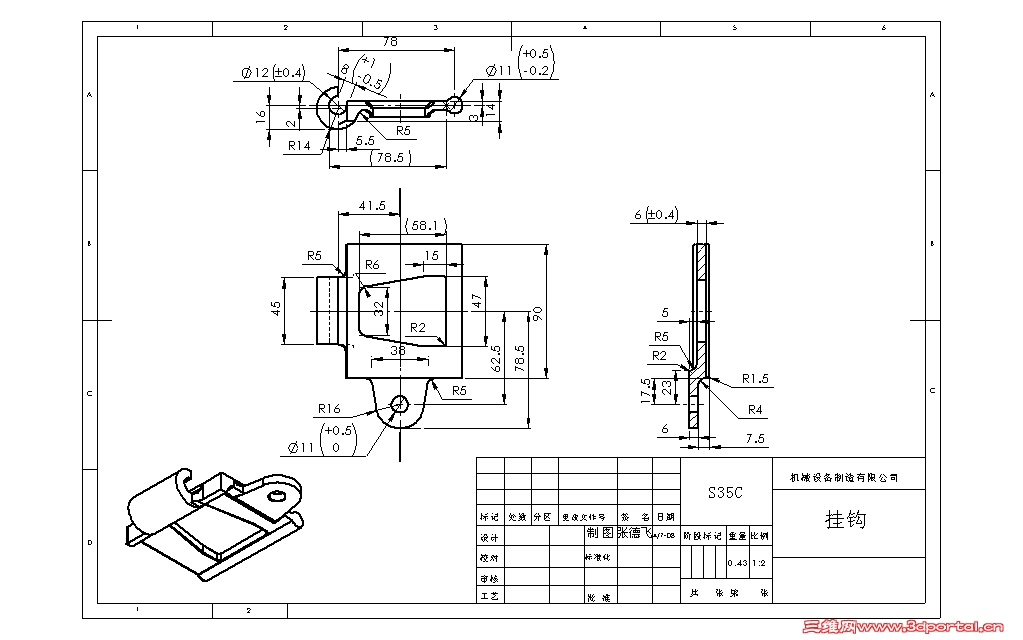
[求助] 一款日本产小型收割机链轮板怎样分模

[复制链接]
发表于 2012-8-29 11:21:00 | 显示全部楼层 |阅读模式 来自: 中国江苏南京

马上注册,结识高手,享用更多资源,轻松玩转三维网社区。

您需要 登录 才可以下载或查看,没有帐号?注册

x
一款日本产小型收割机链轮板锻件,哪位高手可用SW进行分模,弯曲部分允许稍许拉直进行二次加工。
挂钩平面图.JPG
挂钩.JPG

挂钩.rar

379.85 KB, 下载次数: 14

 楼主| 发表于 2012-8-29 11:26:11 | 显示全部楼层 来自: 中国江苏南京
中间空心部位可以有连皮,请有锻造模经验的师付进行解答,不胜感激
发表于 2012-8-29 11:45:22 | 显示全部楼层 来自: 中国河南许昌
弯钩部分锻造时采用实心成型,再加工的
头像被屏蔽
发表于 2012-8-29 12:19:34 | 显示全部楼层 来自: 中国浙江宁波
提示: 作者被禁止或删除 内容自动屏蔽
 楼主| 发表于 2012-8-29 14:10:17 | 显示全部楼层 来自: 中国江苏南京
可分几道模具:一,处连皮切割模,二,大孔冲孔模,三:卷曲位弯曲模,四:小孔冲孔模
发表于 2012-8-30 10:57:56 | 显示全部楼层 来自: 中国山东潍坊
楼上步骤也可以,但是弯曲部分不好做吧
 楼主| 发表于 2012-9-6 08:48:26 | 显示全部楼层 来自: 中国江苏南京
怎么没人能做呢?
发表于 2012-9-6 10:17:06 | 显示全部楼层 来自: 中国广东佛山
本帖最后由 fsjt 于 2012-9-6 10:33 编辑 1 }' g  a3 s- t% q: N* J; G' h
) `- E& Z( }5 o
热锻造模,也想学学.......
0 {" n* b5 `7 J1 s- S
发表回复
您需要登录后才可以回帖 登录 | 注册

本版积分规则


Licensed Copyright © 2016-2020 http://www.3dportal.cn/ All Rights Reserved 京 ICP备13008828号

小黑屋|手机版|Archiver|三维网 ( 京ICP备2023026364号-1 )

快速回复 返回顶部 返回列表