QQ登录

只需一步,快速开始

登录 | 注册 | 找回密码

三维网

 找回密码
 注册

QQ登录

只需一步,快速开始

展开

通知     

全站
6天前
查看: 6167|回复: 30
收起左侧

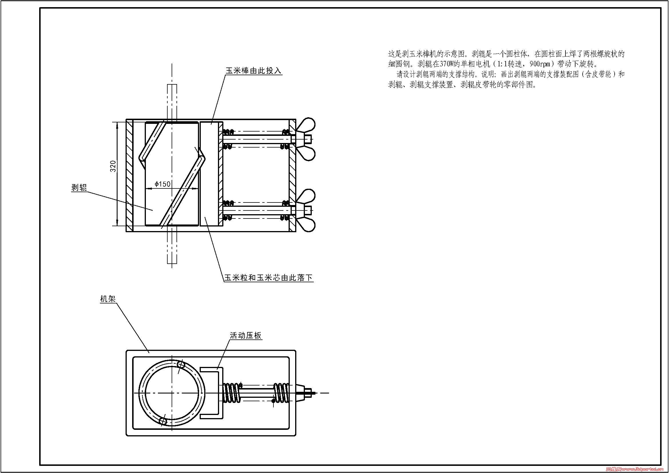
[讨论] 领导出的培训考试题,各位大虾给点建议

[复制链接]
发表于 2012-8-28 09:50:58 | 显示全部楼层 |阅读模式 来自: 中国江苏南通

马上注册,结识高手,享用更多资源,轻松玩转三维网社区。

您需要 登录 才可以下载或查看,没有帐号?注册

x
本帖最后由 404room 于 2012-8-28 10:08 编辑
$ n+ w" `0 c7 w; {
7 \- W9 r, T( U$ v% ~* a$ F/ z+ r 思考题.zip (123.5 KB, 下载次数: 10)

评分

参与人数 1三维币 +3 收起 理由
驿马狂奔 + 3 奖励发起讨论

查看全部评分

发表于 2012-8-29 09:47:01 | 显示全部楼层 来自: 中国上海

回帖奖励 +2 点三维币

这个我看不懂哦,不好意思哦,帮不到你哦
发表于 2012-8-29 16:35:17 | 显示全部楼层 来自: 中国北京

回帖奖励 +2 点三维币

轴上端滚动轴承+定位,下端滚动轴承+定位支撑+皮带轮 2 Z6 }2 E% r0 N: O8 P3 C
皮带轮连接到电机输出皮带轮+ T& u- ?$ p: X1 {+ Y8 _
OK了

点评

采用角接触轴承或圆锥滚子轴承,轴向受力较好  发表于 2012-8-29 19:27

评分

参与人数 1三维币 +3 收起 理由
虎强 + 3 技术讨论

查看全部评分

发表于 2012-8-29 16:57:36 | 显示全部楼层 来自: 中国辽宁沈阳

回帖奖励 +2 点三维币

按楼上的说法,为什么不能将电机放在上面呢?
5 N: k* Z& g- P# m; _. c, {我觉得上面还一些,至少方便操作、维修

评分

参与人数 1三维币 +2 收起 理由
虎强 + 2 积极参与

查看全部评分

发表于 2012-8-29 18:14:57 | 显示全部楼层 来自: 中国江苏常州

回帖奖励 +2 点三维币

是三楼这个思路,至于四楼说的电机装上面,这个视实际情况而定了
发表于 2012-8-30 09:17:24 | 显示全部楼层 来自: 中国辽宁沈阳

回帖奖励 +2 点三维币

这是个立式的不好弄吧
发表于 2012-8-30 09:42:51 | 显示全部楼层 来自: 中国河南安阳

回帖奖励 +2 点三维币

我也没看太明白,不好意思~
发表于 2012-8-30 10:35:04 | 显示全部楼层 来自: 中国山西大同

回帖奖励 +2 点三维币

不太熟悉这类设备,期待大家发言解惑
发表于 2012-8-30 11:31:07 | 显示全部楼层 来自: 中国北京

回帖奖励 +2 点三维币

既然速比是1:1,电机直连是最好的,就不用皮带轮了。剥辊上下由向心球轴承(带座的那种)固定就OK了
发表于 2012-8-30 11:44:34 | 显示全部楼层 来自: 中国黑龙江佳木斯

回帖奖励 +2 点三维币

电机安在下面,选好联轴器和支撑轴承,问题不大。
发表于 2012-8-30 12:20:00 | 显示全部楼层 来自: 中国河南信阳

回帖奖励 +2 点三维币

看不太明白,比较简易!
发表于 2012-8-30 13:53:24 | 显示全部楼层 来自: 中国天津
立式的,不好弄,电机最好还是在侧面,放在下面影响玉米粒和玉米芯落下。放侧面用90度三家带带动吧。
. q2 P+ ^. D/ L' ~/ Q# q: d9 G. x下端支撑用轴承,需要考虑一定密封防尘,轴承寿命会长一点。上面简单轴承定位就可以了,计算一下强度就可以。

评分

参与人数 1三维币 +3 收起 理由
虎强 + 3 技术讨论

查看全部评分

发表于 2012-8-30 14:09:41 | 显示全部楼层 来自: 中国湖北武汉
这个能剥干净吗?如果轴是立式的,还要考虑轴承密封和防尘。
发表于 2012-8-30 18:28:58 | 显示全部楼层 来自: 中国河北石家庄
2.jpg

评分

参与人数 1三维币 +5 收起 理由
虎强 + 5 积极参与

查看全部评分

发表于 2012-8-30 21:33:15 | 显示全部楼层 来自: 中国广东佛山
楼上方法还是挡不住,因为滚辊会把玉米带到挡板后面的
发表于 2012-8-31 15:45:18 | 显示全部楼层 来自: 中国浙江台州
看不太明白,学习一下
9 _; E/ r% O! }& T
发表于 2012-9-2 21:40:53 | 显示全部楼层 来自: 中国江苏扬州
对这个机器实际效果表示怀疑啊!
/ r$ k( a7 v/ }4 l5 D) I
发表于 2012-10-11 16:02:20 | 显示全部楼层 来自: 中国广东深圳
14楼画的简图上看,玉米棒从料斗估计下不去机器里面!
发表于 2013-3-16 22:25:39 | 显示全部楼层 来自: 中国广东东莞
轴两端用角接触球轴承支撑,可抵消轴向力,然后在任意一段装上带轮连接马达即可。

评分

参与人数 1三维币 +3 收起 理由
虎强 + 3 技术讨论

查看全部评分

发表于 2013-3-18 09:10:05 | 显示全部楼层 来自: 中国江苏无锡
fdw718 发表于 2013-3-16 22:25 static/image/common/back.gif
' i" A3 s: G! n/ {+ @, X7 A轴两端用角接触球轴承支撑,可抵消轴向力,然后在任意一段装上带轮连接马达即可。

* Q# e0 t9 F6 k+ _电机驱动一侧的轴承最好固定(外圈),另一侧的轴承设为自由,以消除安装,运转产生的应力

评分

参与人数 1三维币 +3 收起 理由
虎强 + 3 欢迎讨论

查看全部评分

发表于 2013-3-18 10:23:56 | 显示全部楼层 来自: 中国广东深圳
如果楼主的这部分结构定型了,可以考虑做一个像吃饭桌的支架,电机在下面,过空到输出轴过孔到上面,连接你的装置,出粒和芯的问题可以用调整到合适高度来解决,电机本身提供了中心支撑,另外一边加一个方板配合法兰就解决了,整体结构重心稳定,使用方便,落料靠重力,加一个过滤装置,直接可以分离,如果加个吹风装置,可以直接净化玉米粒里面的碎屑。

评分

参与人数 1三维币 +3 收起 理由
虎强 + 3 技术讨论

查看全部评分

发表于 2013-3-21 07:59:12 | 显示全部楼层 来自: 中国山东潍坊
建议楼主去看看以前手动的那个东东然后加直连电机和一放玉米的斗子估计比楼主的那个效果好,而且玉米和玉米芯都能自动分离

评分

参与人数 1三维币 +2 收起 理由
虎强 + 2 积极参与

查看全部评分

发表于 2013-3-25 13:03:38 | 显示全部楼层 来自: 中国安徽芜湖
这不就是农村那拨玉米机吗?我们家就有台。轴的两端是深沟球轴承,机器下面是普通的电机,一般用一根V形带传动就足够了。
3 Q5 V6 o% H9 D) O1 H

评分

参与人数 1三维币 +2 收起 理由
虎强 + 2 欢迎参与

查看全部评分

发表于 2013-4-8 15:57:43 | 显示全部楼层 来自: 中国江苏常州
我疑惑玉米芯不会被损坏混在玉米里面吗?
发表于 2013-4-9 07:01:50 | 显示全部楼层 来自: 中国浙江宁波
看起来很不错,结构很简单不知道剥辊是否能将玉米剥下来,而不影响颗粒的完整性。
发表回复
您需要登录后才可以回帖 登录 | 注册

本版积分规则


Licensed Copyright © 2016-2020 http://www.3dportal.cn/ All Rights Reserved 京 ICP备13008828号

小黑屋|手机版|Archiver|三维网 ( 京ICP备2023026364号-1 )

快速回复 返回顶部 返回列表