QQ登录

只需一步,快速开始

登录 | 注册 | 找回密码

三维网

 找回密码
 注册

QQ登录

只需一步,快速开始

展开

通知     

全站
8天前
查看: 1676|回复: 1
收起左侧

[求助] 普车四爪卡盘关于铜垫片的问题

[复制链接]
发表于 2012-8-1 22:57:38 | 显示全部楼层 |阅读模式 来自: 中国江苏苏州

马上注册,结识高手,享用更多资源,轻松玩转三维网社区。

您需要 登录 才可以下载或查看,没有帐号?注册

x
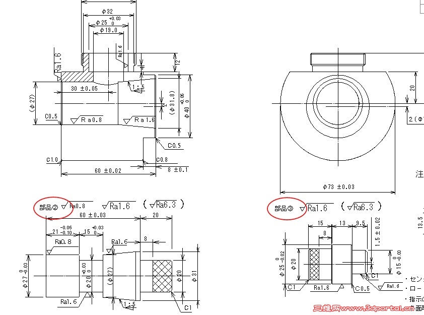
请问各位师傅,我在用普车(四爪)加工工件时,在卡爪上垫厚度为2mm厚度的紫铜片,加持长度为13mm,直径25mm,工件伸出长度为70mm,但在打表时,园跳动没问题,但同轴度有很大偏差,怎样才可以保证同轴度又保证圆跳动,只可以使用铜垫片,不允许制作夹套之类的夹具代替。
, I* K4 W, N8 C请问有什么号方法吗?' z% z+ _! E  {
如图:先加工偏心部分,再进行切槽,滚花,不切断掉头夹直径25的外圆,加工部品2,如何才能用铜垫片又保证不歪呢?(部品2与部品3为同一根棒料上加工),必须先加工部品3,直径25和15的外圆必须一刀加工完毕。! L3 c) H' x( q! k- g$ y) M
LYEA290VFQU7QE)P_BR53@B.jpg
发表于 2012-8-2 11:22:39 | 显示全部楼层 来自: 中国山西太原
本帖最后由 gaoyns 于 2012-8-2 11:24 编辑 ! q. ]7 s- ~- @/ n) ^8 w  o
# W% n4 W& q9 D9 }8 q
你的上面的图是与主题无关的,只需截下面部品2和部品3就清楚了。
4 n5 r: p9 H8 ?5 Q& B* D6 O0 y部品2和部品3是同料加工,夹部品2左端(夹料的余长),将部品2和部品3除偏心φ15外,外圆全部车成,然后切下部品3,再切下部品2,部品2平一下二端面就成了。部品3划线后平左端面,再夹φ25找正车偏心部分就成了,这样加工同轴度就合格了。+ M) h# F8 U4 f+ c' p
至于楼主说的“直径25和15的外圆必须一刀加工完毕”是错误的,部品3的φ25与φ15是不同轴的,是偏心的,怎么可能一刀加工完毕呢?

评分

参与人数 1三维币 +2 收起 理由
渔樵 + 2 技术讨论

查看全部评分

发表回复
您需要登录后才可以回帖 登录 | 注册

本版积分规则


Licensed Copyright © 2016-2020 http://www.3dportal.cn/ All Rights Reserved 京 ICP备13008828号

小黑屋|手机版|Archiver|三维网 ( 京ICP备2023026364号-1 )

快速回复 返回顶部 返回列表