QQ登录

只需一步,快速开始

登录 | 注册 | 找回密码

三维网

 找回密码
 注册

QQ登录

只需一步,快速开始

展开

通知     

全站
8天前
查看: 1920|回复: 6
收起左侧

[求助] 求此工件的加工工艺

[复制链接]
发表于 2012-7-24 20:54:50 | 显示全部楼层 |阅读模式 来自: 中国江苏苏州

马上注册,结识高手,享用更多资源,轻松玩转三维网社区。

您需要 登录 才可以下载或查看,没有帐号?注册

x
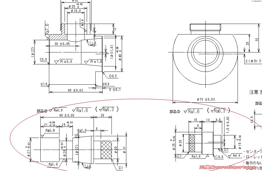
请问下图划圈部分中的两个工件如何能在最快时间,并且保证精度的情况下加工出来呢 ?(这两个工件必须是在一根长135,直径32的棒料上加工出来)  ^8 B" @# F, P0 A# `
若先加工偏心工件,再从滚花部位切断后再加工带锥度工件时,掉头装夹后,长度为60的一端无法测量其长度。5 v) V' `  J2 x
请问有什么好方法又快又好吗?) C! Q. c: o4 p( W; a9 r; T6 g1 Q

装配工件

装配工件
发表于 2012-7-24 22:03:44 | 显示全部楼层 来自: 中国广东东莞
本帖最后由 tangcarlos3d 于 2012-7-24 22:05 编辑 9 L. ~9 ~+ {( x: e& y% [- J( K

, V  Y5 r; V, l5 i什么车床?普通还是数控?批量生产手工的话有点难。- d9 a( _6 r+ z: W7 v, a( J  c
原料长只有135,但工件长度:(60+20)+(15+13+9.5)=117.5.还有切刀位和刮端面5+4=9.
" K7 B2 I% f3 h* M  c2 H以下仅供参考:; |" z, s% x9 ?$ N9 b" [& [
1.(由左、右相连在一起,)刮端面,打中心孔A3。
; o" `$ ]; q& h+ a  R- z/ ]2.卡盘内夹住12mm(偏心圆处),顶上顶尖。粗、精车所有外圆,滚花,切断。不卸工件接着刮右图左端面(保准15)。8 |9 K" ?$ U  H5 w9 t
3. 右图工件:夹Ø20外圆,加垫片保准偏心距1.5mm,车Ø15(保准长13),刮端面(保准9.5)。
2 Y2 l* i) {. _6 y/ [4.左图工件:夹Ø27外圆,刮滚花端面(保准20)。掉头夹Ø20外圆,车端面(保准21-0.05/0.10及60)

评分

参与人数 1三维币 +2 收起 理由
mengfansheng + 2 应助

查看全部评分

发表于 2012-7-25 09:29:34 | 显示全部楼层 来自: 中国山西太原
1  夹右图的右端(偏心部位),顶左图的左端,除偏心部位其余外圆全车成,车φ27端面,滚花,在滚花处切下。) m. c7 ?' s  K" N( g6 W6 a
2  车平切口端面。车平左图切口端面。% t7 D& @2 \2 O$ H0 t. k
3  右图件划线,用四爪卡盘夹住φ20段,按中心线找正,车偏心部位,车端面。+ {) g6 Y2 t' t2 F1 M  n: r
下料长度足够,左图件因是一次车成,精度不存在问题。

评分

参与人数 1三维币 +2 收起 理由
mengfansheng + 2 应助

查看全部评分

发表于 2012-7-26 15:10:04 | 显示全部楼层 来自: 中国浙江台州
                                       
发表于 2012-7-27 13:25:08 | 显示全部楼层 来自: 中国天津
本人非专业人士,学习了。
发表于 2012-7-27 17:31:29 | 显示全部楼层 来自: 中国江苏苏州
没仔细看,不过看楼上说都是材料足够,那个直接下料切断,然后两头加工应该没问题吧。
发表于 2012-7-31 23:10:57 | 显示全部楼层 来自: 中国江苏南京
快吗就是数控车啊,普车的话现在好车工也很贵啊
发表回复
您需要登录后才可以回帖 登录 | 注册

本版积分规则


Licensed Copyright © 2016-2020 http://www.3dportal.cn/ All Rights Reserved 京 ICP备13008828号

小黑屋|手机版|Archiver|三维网 ( 京ICP备2023026364号-1 )

快速回复 返回顶部 返回列表