QQ登录

只需一步,快速开始

登录 | 注册 | 找回密码

三维网

 找回密码
 注册

QQ登录

只需一步,快速开始

展开

通知     

查看: 3950|回复: 17
收起左侧

[求助] 钣金工程图标注

[复制链接]
发表于 2012-7-15 14:40:07 | 显示全部楼层 |阅读模式 来自: 中国四川成都

马上注册,结识高手,享用更多资源,轻松玩转三维网社区。

您需要 登录 才可以下载或查看,没有帐号?注册

x
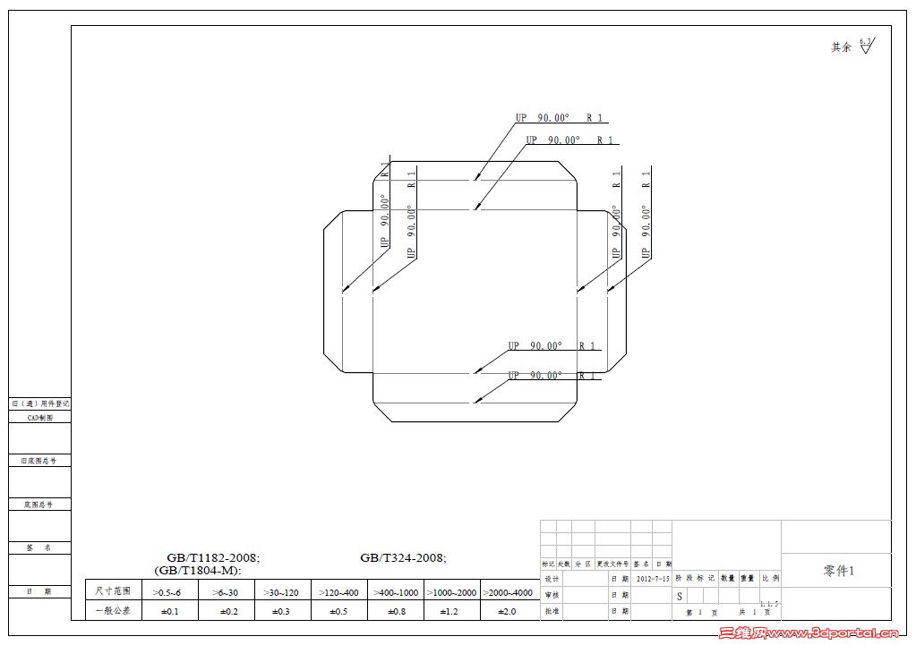
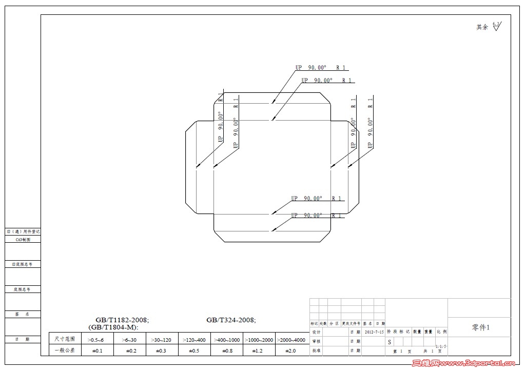
钣金展开工程图中如何消除角度公差及折弯方向英文改为中文

零件1.PDF

36.5 KB, 下载次数: 28

发表于 2012-7-15 14:56:47 | 显示全部楼层 来自: 中国江苏苏州
ZD9688}K$[@NY3W8R}5)%OR.jpg
7 I; z# s5 |% I9 ^) l
0 U8 h0 c: t% R3 z帮楼主贴图
ZD9688}K$[@NY3W8R}5)%OR.jpg
发表于 2012-7-15 15:02:17 | 显示全部楼层 来自: 中国江苏苏州
]XFS13PY_J)S7`9U3XBY402.jpg
 楼主| 发表于 2012-7-16 07:47:34 | 显示全部楼层 来自: 中国四川南充
如何把90.00°变成90°,UP变成上
发表于 2012-7-16 07:57:42 | 显示全部楼层 来自: 日本
图纸模板用GB的
: D9 |3 P* n% ~& G& B单位去掉小数位- Y( N, A( F' G5 u5 I/ T: x6 S' \

' P, h6 Q5 v5 y0 n5 ^% V现在没用电脑,上电脑再给你看看
发表于 2012-7-16 08:16:49 | 显示全部楼层 来自: 中国广东深圳
一般钣金还是不要给展开图为好,因为我们选的折弯系数与实际有出入。
发表于 2012-7-16 08:49:01 | 显示全部楼层 来自: 日本
本帖最后由 hongwei_1987jp 于 2012-7-16 08:53 编辑
- a  t# ]1 s4 c5 Z& ^. c7 p( J' w) X
不记得在哪里设定了,给你一个GB修改的文件(GB-修改.sldstd),你导入,根据自己要求,修改用- ?' T# d( s" P' }, F% F, P
$ F# _* `2 ]$ a0 _1 D# q2 S
GB-修改.rar (1.2 KB, 下载次数: 16)
 楼主| 发表于 2012-7-16 09:04:47 | 显示全部楼层 来自: 中国四川南充
在厚度小于3MM的材料,选择K因子为0.432,展开尺寸比较准。我司采用台湾设备,设备带的软件和SW的展开几乎一致。
 楼主| 发表于 2012-7-16 09:06:17 | 显示全部楼层 来自: 中国四川南充
图纸模板用GB的
3 L  c& c( z+ b: n0 t. U  P0 x5 U; j& x# }& ]0 m5 u单位去掉小数位7 {, E" L7 Y  d# d  u* t2 }+ ^# `) t# y  n6 x* g( d8 |
& Z5 h9 F8 p! |. A6 `& o; S9 _/ N& }2 D# C8 P
现在没用电脑,上电脑再给你看看

7 b# x; Q9 J9 v4 q1 g8 G2 u' L  m- z" N$ O
/ `4 G9 ]- l. x; _  |
我在选项上设置了,没有用
发表于 2012-7-16 10:17:45 | 显示全部楼层 来自: 日本
liu643518 发表于 2012-7-16 09:06 static/image/common/back.gif) h1 Y/ |' s9 Y& @. v+ o: s! F
我在选项上设置了,没有用
% v% G) [% e( e, z9 h1 L
在7#给你文件了,你导入用下,看看
 楼主| 发表于 2012-7-16 20:18:46 | 显示全部楼层 来自: 中国四川南充
hongwei_1987jp $ W+ [7 y2 n( c* [
) S% i* t; ~+ G1 i
谢谢!在sw软件里如何导入我不知道,能详细告诉我吗
% `4 V9 R# s" m: Q; F. i$ o
4 a' z5 \: U7 V
发表于 2012-7-16 20:31:56 | 显示全部楼层 来自: 中国上海
软件重新安装后,就变成楼主的问题,我以前2009,就是中文的。
发表于 2012-7-16 20:42:47 | 显示全部楼层 来自: 日本
liu643518 发表于 2012-7-16 20:18 static/image/common/back.gif& f' F9 |! ~" t8 f/ Y, u
hongwei_1987jp
& `9 |7 N8 L+ V. D, [! T4 ]: d5 x" ?1 ]5 {
谢谢!在sw软件里如何导入我不知道,能详细告诉我吗

4 H( E$ ]* ]2 a# s, J 捕获.JPG
/ W( w( a3 J# ~# H  U( V8 g9 S3 A) v9 C0 @3 Z# l% i7 ?5 n
找我给你的那个文件
头像被屏蔽
发表于 2012-7-16 23:28:56 | 显示全部楼层 来自: 中国上海
提示: 作者被禁止或删除 内容自动屏蔽
 楼主| 发表于 2012-7-17 08:18:49 | 显示全部楼层 来自: 中国四川南充
导入后还是不行,英文改为中文的了,角度还是有小数点,我估计是bendnoteformat文件有问题,能否把你SW软件内bendnoteformat文件发到这里。我的是2010 SP4版本的。路径:SolidWorks/lang/chinese-simplified/9 l6 y( c# B. \/ z/ ]/ J
谢谢!
发表于 2012-7-17 10:30:57 | 显示全部楼层 来自: 日本
liu643518 发表于 2012-7-17 08:18 static/image/common/back.gif
- A, K) F9 C+ h* u. j' ?导入后还是不行,英文改为中文的了,角度还是有小数点,我估计是bendnoteformat文件有问题,能否把你SW软件 ...

1 o/ W" C1 @8 g/ @0 `' V6 N我的是2012的,看看2010的朋友,帮你吧
发表于 2012-7-17 13:54:44 | 显示全部楼层 来自: 中国上海
我出钣金图都不给展开图的,因为每家加工厂的折弯系数都不一样
发表于 2012-7-17 22:14:26 | 显示全部楼层 来自: 中国北京
谢谢分享,学习一下!!
发表回复
您需要登录后才可以回帖 登录 | 注册

本版积分规则


Licensed Copyright © 2016-2020 http://www.3dportal.cn/ All Rights Reserved 京 ICP备13008828号

小黑屋|手机版|Archiver|三维网 ( 京ICP备2023026364号-1 )

快速回复 返回顶部 返回列表