QQ登录

只需一步,快速开始

登录 | 注册 | 找回密码

三维网

 找回密码
 注册

QQ登录

只需一步,快速开始

展开

通知     

查看: 1559|回复: 3
收起左侧

[已答复] PLC的Y4是否可省略?

[复制链接]
发表于 2012-6-10 09:27:40 | 显示全部楼层 |阅读模式 来自: 中国山东淄博

马上注册,结识高手,享用更多资源,轻松玩转三维网社区。

您需要 登录 才可以下载或查看,没有帐号?注册

x
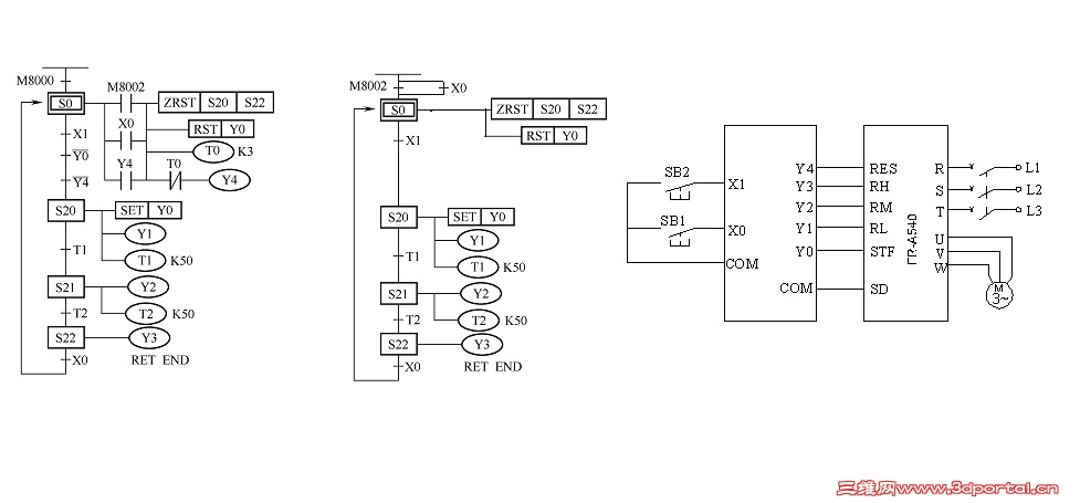
如图所示为电动机的多速控制中图,其中左边和右边的图是原图,中间的图是我根据学习改画的,首先我不明白原图中变频器RES(复位)在电动机的多速控制中起何作用?如果去掉该端子有何不利影响?
123.jpg
发表于 2012-6-25 19:59:58 | 显示全部楼层 来自: 中国四川成都
在PLC中X:输入触点
: p  h, `% U& U. g# I& @% G1 pY:输出触点
5 g3 k; \' v; vM:内存触点。
8 ^/ w! c1 k3 V) s9 X
+ w, g% Y4 j0 W没必要省略Y4.  j* O& D/ ?* d5 T' R- f
但是每个人都有好奇心,最好先不省略,做成功了再省略看看效果是否一样。
$ G2 S3 y; ~- T% r' t楼主,这问题,自己慢慢探索吧。
发表于 2012-7-6 08:44:11 | 显示全部楼层 来自: 中国浙江宁波
Y4不能省,因为Y4是变频器的复位信号,当电机发生故障时变频器保护动作,PLC控制中Y4触点断开,S20不能工作,从而起到了设备的安全保护。

评分

参与人数 1三维币 +5 收起 理由
pangpang + 5 应助

查看全部评分

发表于 2012-7-6 12:46:49 | 显示全部楼层 来自: 中国浙江杭州
Y4平时起停止电机的功能作用,当外部回路引起变频器生故障时,故障排除后用Y4给变频器复位到正常状态。
发表回复
您需要登录后才可以回帖 登录 | 注册

本版积分规则


Licensed Copyright © 2016-2020 http://www.3dportal.cn/ All Rights Reserved 京 ICP备13008828号

小黑屋|手机版|Archiver|三维网 ( 京ICP备2023026364号-1 )

快速回复 返回顶部 返回列表