QQ登录

只需一步,快速开始

登录 | 注册 | 找回密码

三维网

 找回密码
 注册

QQ登录

只需一步,快速开始

展开

通知     

查看: 1245|回复: 0
收起左侧

[讨论] Sw和CAD绘制工程图的时效性和结果正确的PK?

[复制链接]
发表于 2012-4-22 11:21:20 | 显示全部楼层 |阅读模式 来自: 中国甘肃兰州

马上注册,结识高手,享用更多资源,轻松玩转三维网社区。

您需要 登录 才可以下载或查看,没有帐号?注册

x
使用AutoCAD多年,绘图的时效性和正确性都不能得到有效的提高。
" ]! O+ v9 N$ ]) eAutoCAD+Excel工作法→需要用Excel进行数据计算,AutoCAD则根据Excel的数据结果进行绘图。& F4 m  e5 |7 H
AutoCAD+Excel绘图工序=Excel计算工序+AutoCad绘图工序。$ C3 M8 g7 ?- V0 y0 Y$ y4 i
校核绘图尺寸的正确性工作量比较大。6 z* u3 B$ g3 m$ C9 L6 S( u& p
1 |9 `5 S6 b; G& r
Solidworks提高绘图的时效性和正确性取决对工程图+零件+装配体模板应用。
/ m, \5 u+ a+ B熟练灵活使用工程图+零件+装配体模板→专心致志保证尺寸的正确性,繁琐的计算结果交由Solidworks完成。
7 f3 X- d% x- Z0 e3 W1 q* m9 T* e- `4 B
请问高手是否赞同这个观点。
1 I- x9 \( |5 u* o" F4 `1 j-----------------------------------
; y5 @( T9 z  Z+ |5 F3 m( Y& q
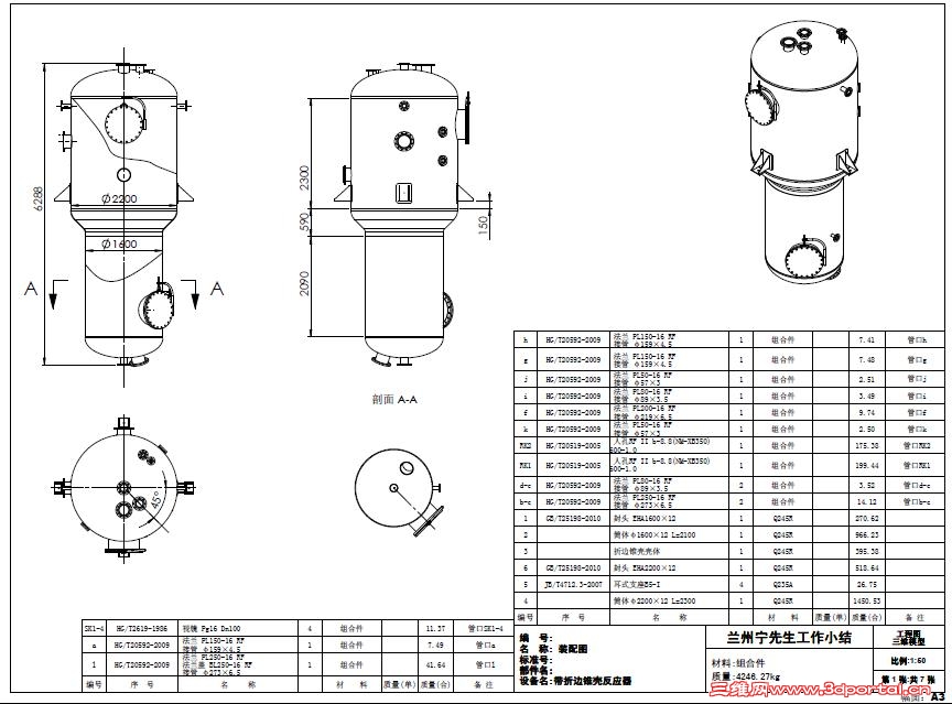
, a, @! x4 I7 H# c# B 0.jpg
3 n, I  ]( |3 ?2 m" Q$ w
1 H; e2 Q6 M; B# E 1.jpg
发表回复
您需要登录后才可以回帖 登录 | 注册

本版积分规则


Licensed Copyright © 2016-2020 http://www.3dportal.cn/ All Rights Reserved 京 ICP备13008828号

小黑屋|手机版|Archiver|三维网 ( 京ICP备2023026364号-1 )

快速回复 返回顶部 返回列表