QQ登录

只需一步,快速开始

登录 | 注册 | 找回密码

三维网

 找回密码
 注册

QQ登录

只需一步,快速开始

展开

通知     

查看: 7288|回复: 15
收起左侧

[已答复] 电机反接制动电气原理图

 关闭 [复制链接]
发表于 2012-3-28 20:16:47 | 显示全部楼层 |阅读模式 来自: 中国江苏南通

马上注册,结识高手,享用更多资源,轻松玩转三维网社区。

您需要 登录 才可以下载或查看,没有帐号?注册

x
附件是我画的电机反接制动电气原理图,请问是否正确?- b% N+ e6 Q- y0 }0 o
工作台升降电机反接制动电气原理图.pdf (59.19 KB, 下载次数: 24)
发表于 2012-3-28 21:15:17 | 显示全部楼层 来自: 中国天津
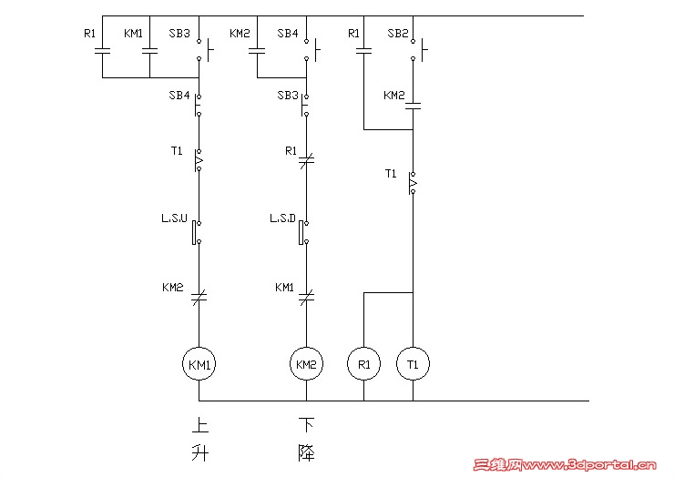
电机反接制动电气原理图。可在图面上点击放大。
Pic.JPG
发表于 2012-3-29 19:45:50 | 显示全部楼层 来自: 中国陕西西安
反接制动时必须一致按着按钮SB2,直到电机停止运转,如果未完全停止及松开按钮SB2,电机将一直开始反转,直到按下停止按钮SB4。不知问题是否正确,看梯形图看惯了看这个都感觉有点吃力了,还得多学习哈

评分

参与人数 1三维币 +5 收起 理由
pangpang + 5 应助。

查看全部评分

 楼主| 发表于 2012-4-1 16:55:33 | 显示全部楼层 来自: 中国江苏南通
反接制动时必须一致按着按钮SB2,直到电机停止运转,如果未完全停止及松开按钮SB2,电机将一直开始反转,直到按下停止按钮SB4。不知问题是否正确,看梯形图看惯了看这个都感觉有点吃力了,还得多学习哈
# x+ b7 F  d3 Xsunxp166 发表于 2012-3-29 19:45 http://www.3dportal.cn/discuz/images/common/back.gif
1 m: s6 ^9 Y! k* o
* F# W; t$ A. E1 S' @" U

: u1 V: ?2 E7 Z4 c, g0 `是有这个问题,不知如何改进?
发表于 2012-4-5 15:42:17 | 显示全部楼层 来自: 中国台湾
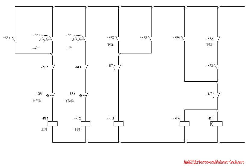
畫了一張圖,不知道行不行,參考一下
Wiring.jpg
 楼主| 发表于 2012-4-5 20:09:43 | 显示全部楼层 来自: 中国江苏南通
畫了一張圖,不知道行不行,參考一下
- R" L/ d) d, k( dtwingo49 发表于 2012-4-5 15:42 http://www.3dportal.cn/discuz/images/common/back.gif

2 x2 R7 V5 o# ?% m
( {5 w& d' H! T- h9 V非常感谢twingo49的回复,我看了一下,有几个疑问,不知说得对否?
9 Z4 o8 a* |% R/ U7 E" Q1. 电机上升时,无法停止。" ?0 d: `0 m5 H8 k/ v
2. R1表示中间继电器,应该用符号"KA1"吧。
+ |/ R4 z, {" Q, h4 F0 u$ z3. “R1”要确保其常闭触点先断开,常开触点后闭合吗?(中间继电器都可以实现吗?HH54P型的好像可以)

评分

参与人数 1三维币 +5 收起 理由
pangpang + 5 提出问题,而且认真参予讨论。

查看全部评分

发表于 2012-4-6 09:27:32 | 显示全部楼层 来自: 中国台湾
本帖最后由 twingo49 于 2012-4-6 09:29 编辑 " x; P4 f( k' [2 O  Q5 N
非常感谢twingo49的回复,我看了一下,有几个疑问,不知说得对否?! v- l, A$ j6 P2 M! o
1. 电机上升时,无法停止。
8 N8 U+ B+ S, O9 \5 q( z7 b7 H2. R1表示中间继电器,应该用符号"KA1"吧。/ Z% Z. [) R% J; g( o
3. “R1”要确保其常闭触点先断开,常开触点后闭合吗?(中间继电器 ...
) ^9 h  K3 C5 U$ ]- Flalala88 发表于 2012-4-5 20:09 http://www.3dportal.cn/discuz/images/common/back.gif

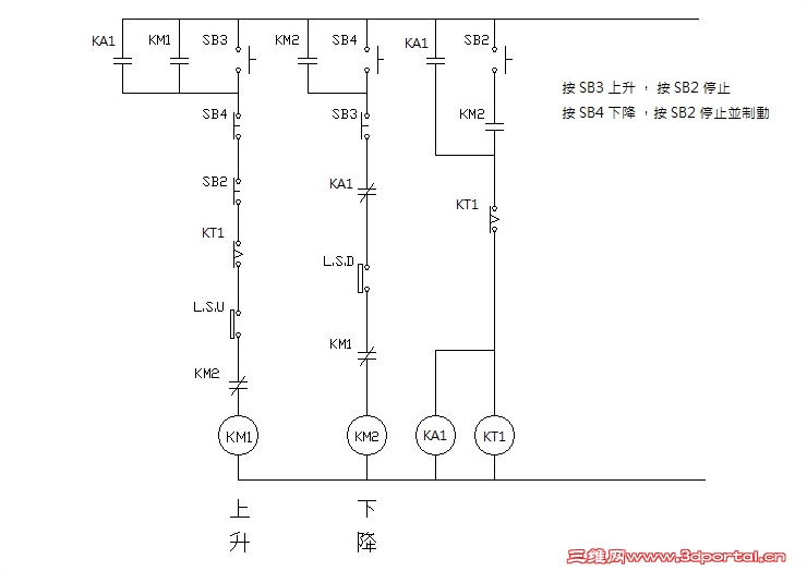
5 f- A9 y# M3 e3 F% n1. 的確,上升時會一直到上升限才會停止,因此改了一下圖。
, I2 c' }% q0 c6 U7 ^2. R1 改成 KA1$ [; J  E2 ]9 I4 Y% y  C" C* S
3. b接點先斷開,a接點後閉合沒錯
Wiring.jpg

评分

参与人数 1三维币 +5 收起 理由
pangpang + 5 应助。感谢您的积极参予。建议电气图文符号可否使用标准规定的形式。

查看全部评分

 楼主| 发表于 2012-4-16 18:16:24 | 显示全部楼层 来自: 中国江苏南通
1. 的確,上升時會一直到上升限才會停止,因此改了一下圖。; [! U' Y) c$ X
2. R1 改成 KA1$ t! l8 ?- Y& O
3. b接點先斷開,a接點後閉合沒錯
5 K+ ~. L0 q3 a: X/ {- [' R! Rtwingo49 发表于 2012-4-6 09:27 http://www.3dportal.cn/discuz/images/common/back.gif
. L9 ?( y* `- s* ?9 {6 K- {, ~' @
6 v7 l: ?, C' K
再次感谢twingo49,上图应该正确,另外,我还想请教一下您,如果把升降启动按钮改为自复位选择开关,左旋时上升,右旋时下降,松开后复位(即停止上升或下降),原理图该怎么画?
发表于 2012-4-28 09:02:24 | 显示全部楼层 来自: 中国台湾
8# lalala88 , u' f% L8 M- `+ Y/ `* t# o
好幾天沒進來看帖,昨天才看到你的回應,再畫一張你看看行不行。 Drawing1.pdf (7.3 KB, 下载次数: 5)
发表于 2012-4-28 17:56:16 | 显示全部楼层 来自: 中国天津
楼上附件中给出的电路。讨论问题还是直接给出图为好。
Pic.jpg
发表于 2012-4-29 14:10:47 | 显示全部楼层 来自: 中国浙江丽水
本帖最后由 xf81519 于 2012-4-29 14:12 编辑 1 ^) w# E2 A/ o/ z3 D2 w; e; G
8 R1 S0 M# p9 U5 b
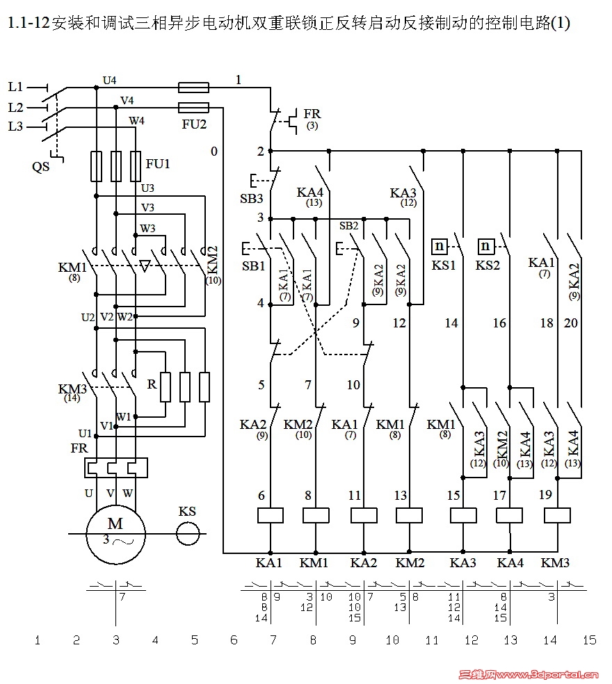
反接制动要速度继电器才能平稳控制,不然很易过头,给你两张典型反接制动的图,你可参考,因为不知前面的图和不知整个用途,所以不好设计.
& N6 o- w. }' E1 }$ w(12)是大电机串电阻反接制动,(13)是小电机真接反接制动.
12.jpg
13.jpg

评分

参与人数 1三维币 +5 收起 理由
pangpang + 5 热心参予讨论。的确,用时间控制是很难做到准确、平稳的。

查看全部评分

发表于 2012-4-29 15:10:13 | 显示全部楼层 来自: 中国浙江丽水
如果就是下行碰到限位开关后停止的话,那还是用电磁制动器好,反接制动要有行程余量给它的,电磁制动如果功率配合的好止动可迅速行程余量少.停点准.

评分

参与人数 1三维币 +3 收起 理由
pangpang + 3 讨论

查看全部评分

发表于 2012-5-9 09:12:44 | 显示全部楼层 来自: 中国天津
人才啊,可以参考一下S7-200的那些经典程序,关于电机控制的。
发表于 2012-9-4 12:28:37 | 显示全部楼层 来自: 中国山东烟台
反接制动是有要求的,别造成反向运动了!
发表于 2012-9-4 13:07:57 | 显示全部楼层 来自: 中国辽宁沈阳
我感兴趣的是7楼、10楼的图形是用什么软件绘制的呀?
发表于 2013-1-25 16:36:17 | 显示全部楼层 来自: 中国台湾
liangquan 发表于 2012-9-4 13:07 static/image/common/back.gif
2 F7 [8 ^5 S. u, g我感兴趣的是7楼、10楼的图形是用什么软件绘制的呀?
' i/ ]8 P7 z4 ~- e
Autocad electrical 畫的
发表回复
您需要登录后才可以回帖 登录 | 注册

本版积分规则


Licensed Copyright © 2016-2020 http://www.3dportal.cn/ All Rights Reserved 京 ICP备13008828号

小黑屋|手机版|Archiver|三维网 ( 京ICP备2023026364号-1 )

快速回复 返回顶部 返回列表