QQ登录

只需一步,快速开始

登录 | 注册 | 找回密码

三维网

 找回密码
 注册

QQ登录

只需一步,快速开始

展开

通知     

查看: 3208|回复: 9
收起左侧

[分享] mastercam三维训练图册

[复制链接]
发表于 2012-3-26 15:12:41 | 显示全部楼层 |阅读模式 来自: 中国河南南阳

马上注册,结识高手,享用更多资源,轻松玩转三维网社区。

您需要 登录 才可以下载或查看,没有帐号?注册

x
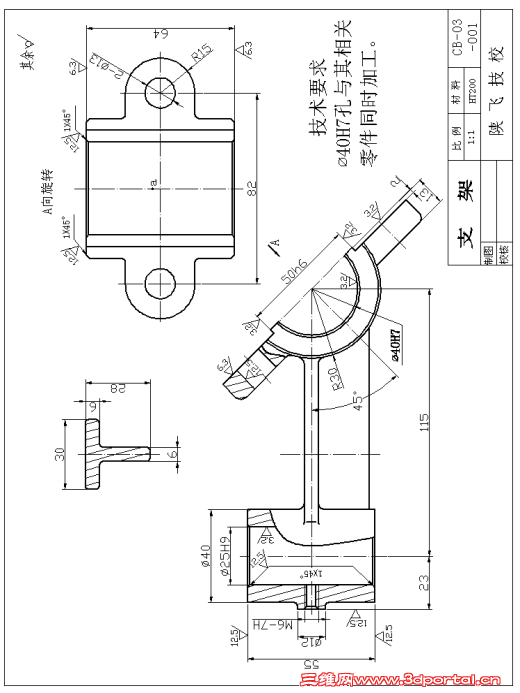
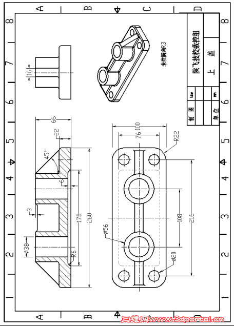
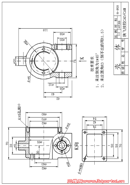
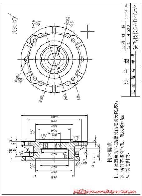
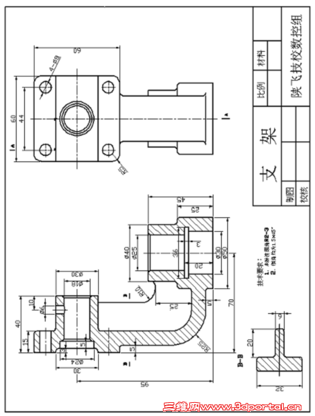
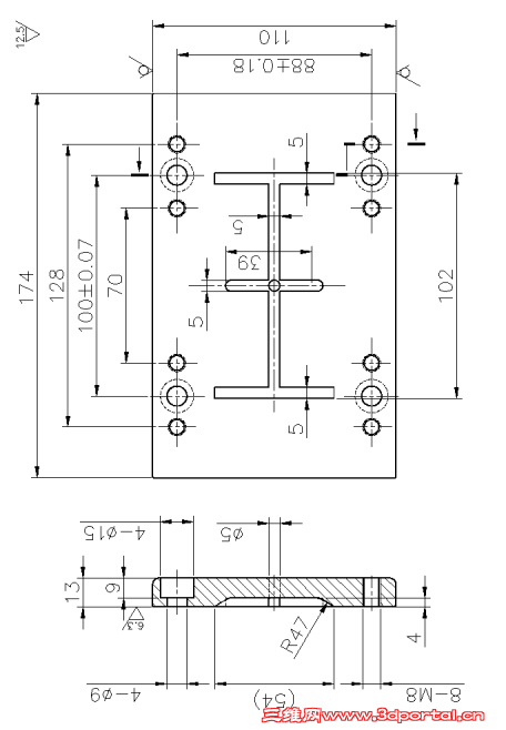
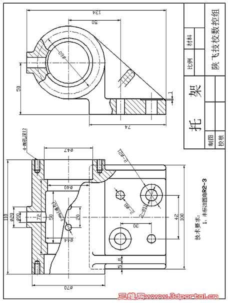
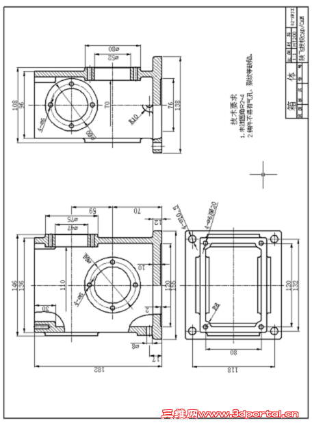
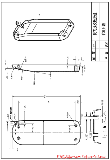
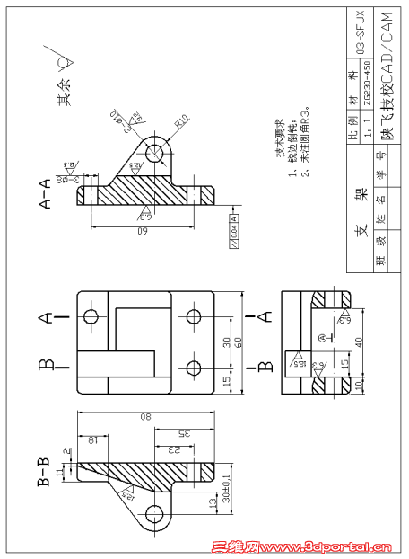
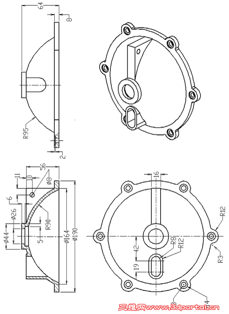
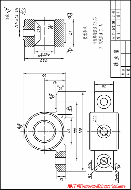
mastercam三维训练图 15个图
MasterCAM练习图1-1119.png
MasterCAM练习图1-1135.png
MasterCAM练习图1-1148.png
MasterCAM练习图1-1163.png
MasterCAM练习图1-1174.png
MasterCAM练习图1-1188.png
MasterCAM练习图1-1202.png
MasterCAM练习图1-1213.png
MasterCAM练习图1-1226.png
MasterCAM练习图1-1044.png
MasterCAM练习图1-1057.png
MasterCAM练习图1-1068.png
MasterCAM练习图1-1092.png
MasterCAM练习图1-1106.png

评分

参与人数 1三维币 +10 收起 理由
路过不买 + 10 好资料,感谢您对论坛的支持!

查看全部评分

发表于 2012-3-26 17:58:46 | 显示全部楼层 来自: 中国广东深圳
好东西。。。。。谢谢
发表于 2012-3-26 22:35:18 | 显示全部楼层 来自: 中国山东烟台
MC画图可不太常见了。。
发表于 2012-3-28 09:21:56 | 显示全部楼层 来自: 中国陕西西安
谢谢!!!
发表于 2012-4-11 22:29:13 | 显示全部楼层 来自: 中国河南洛阳
好东西。。。。。谢谢
发表于 2012-5-2 13:02:14 | 显示全部楼层 来自: 中国山东烟台
正好练一下,画图不熟练。
发表于 2012-5-10 17:51:29 | 显示全部楼层 来自: 中国四川成都
的确是好动西。不错的
发表于 2012-5-12 12:51:56 | 显示全部楼层 来自: 中国台湾
好資料~有三維图可以練習
发表于 2012-5-14 08:48:47 | 显示全部楼层 来自: 中国陕西西安
谢谢,下来练习下
发表于 2012-5-15 18:32:37 | 显示全部楼层 来自: 中国江西景德镇
哈哈 好东西啊  谢谢分享
发表回复
您需要登录后才可以回帖 登录 | 注册

本版积分规则


Licensed Copyright © 2016-2020 http://www.3dportal.cn/ All Rights Reserved 京 ICP备13008828号

小黑屋|手机版|Archiver|三维网 ( 京ICP备2023026364号-1 )

快速回复 返回顶部 返回列表