QQ登录

只需一步,快速开始

登录 | 注册 | 找回密码

三维网

 找回密码
 注册

QQ登录

只需一步,快速开始

展开

通知     

查看: 2455|回复: 11
收起左侧

[讨论] 这个图怎样画

[复制链接]
发表于 2012-2-4 15:19:32 | 显示全部楼层 |阅读模式 来自: 中国广东佛山

马上注册,结识高手,享用更多资源,轻松玩转三维网社区。

您需要 登录 才可以下载或查看,没有帐号?注册

x
本帖最后由 信荏硪 于 2012-2-6 10:54 编辑
& Y7 q7 W: o* @7 @9 @' }
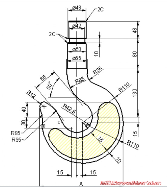
1 J# W8 \! b0 c( G( u0 ?9 p这个图的R12圆心怎样确定? 1P7PDK_A@4D)QWLELUMCENB.jpg
发表于 2012-2-5 00:13:25 | 显示全部楼层 来自: 中国广东东莞
利用 相切相切半径 直接画出, 和R95 圆弧(右上方那个) 以及 上面的水平线 相切,,,,,,,,,,

评分

参与人数 1三维币 +5 收起 理由
2005llnn + 5 应助

查看全部评分

发表于 2012-2-5 08:18:14 | 显示全部楼层 来自: 中国广东东莞
用R12对两个R95园弧到圆角即可,不必管A尺寸。Y方向尺寸40不是定义R12的高度尺寸,是限制Z方向切平面(宽度16的园弧)Y方向的尺寸。

评分

参与人数 1三维币 +5 收起 理由
2005llnn + 5 应助

查看全部评分

发表于 2012-2-5 09:44:59 | 显示全部楼层 来自: 中国广东东莞
如果你要用画圆弧的方法画R12,则方法如下:/ X2 c0 u+ Y  y2 G$ r
1,用左下角的R95圆心以95+12=107为半径画弧;
# K9 X7 \: x& h2,用右上角的R95圆心以95-12=83为半径画弧,两弧的交点即为R12的圆心;
, E( H; ^( ]9 b' k# A3,以12为半径,在R12的圆心画弧,与2-R95弧相交。擦去多余的线条即可。
9 D) `% m6 e. ^! U2 @这个方法慢,但可锻炼基本绘图技术。

评分

参与人数 1三维币 +5 收起 理由
2005llnn + 5 应助

查看全部评分

 楼主| 发表于 2012-2-5 10:33:16 | 显示全部楼层 来自: 中国广东佛山
请问左边的R95怎样画? 3# tangcarlos3d
发表于 2012-2-5 10:50:57 | 显示全部楼层 来自: 中国广东东莞
左边的R95的圆心在Y方向上与R110的圆心等高。X坐标好像差一个条件,因为X=-15, Y=-30这个点(条件)还没用上,不知你上传的图全不全,或者差个尺寸。
 楼主| 发表于 2012-2-5 12:22:40 | 显示全部楼层 来自: 中国广东佛山
恩~!我也觉得少了条件~! 6# tangcarlos3d
发表于 2012-2-5 14:04:34 | 显示全部楼层 来自: 中国上海
这个图是用来练习约束的练习题 一般UG Solidworks都用这个图做练习* i% p0 F5 N* A4 J7 y; g
现在高版本的cad也可用约束来做
发表于 2012-2-5 19:25:16 | 显示全部楼层 来自: 中国广东东莞
开始我看错了,不过那个40距离的线和R12 相切的话就能画出来,要么就是少个约束尺寸了,
发表于 2012-2-5 19:31:01 | 显示全部楼层 来自: 中国广东东莞
再仔细看了下 图, 我这个说法也可能是成立的, 因为一条线不一定只约束一个圆弧,那个40线不仅约束宽度16的右圆弧的上方,还约束R12圆弧与其相切。,
0 q5 I. G! Y! _6 i. u- |同样的你看那个往下30 的水平线不仅约束宽度16的左圆弧的上方,还是左R95圆弧的起点(也就是图中B点)。 因为左R95 圆弧和最大的R110 圆弧不是 相切的,而是有交点而已。。
发表于 2012-2-6 09:36:25 | 显示全部楼层 来自: 中国四川德阳
上个《画法几何》的同学都会画吊钩啊
发表于 2012-2-8 20:59:44 | 显示全部楼层 来自: 中国山东青岛
以R85的圆心为直线的起点画一长85,且与水平中心线成40度的直线,交点在R85的弧上,过该交点画一直线与前面所画直线成90度,然后将该直线向下偏移65,用相切相切半径过偏移后的直线和R42.5的圆可画出里面的那个R95的圆,最后用相切相切半径过该圆和尺寸40上面那根水平中心线即可确定R12的圆
发表回复
您需要登录后才可以回帖 登录 | 注册

本版积分规则


Licensed Copyright © 2016-2020 http://www.3dportal.cn/ All Rights Reserved 京 ICP备13008828号

小黑屋|手机版|Archiver|三维网 ( 京ICP备2023026364号-1 )

快速回复 返回顶部 返回列表