QQ登录

只需一步,快速开始

登录 | 注册 | 找回密码

三维网

 找回密码
 注册

QQ登录

只需一步,快速开始

展开

通知     

全站
21小时前
查看: 1668|回复: 3
收起左侧

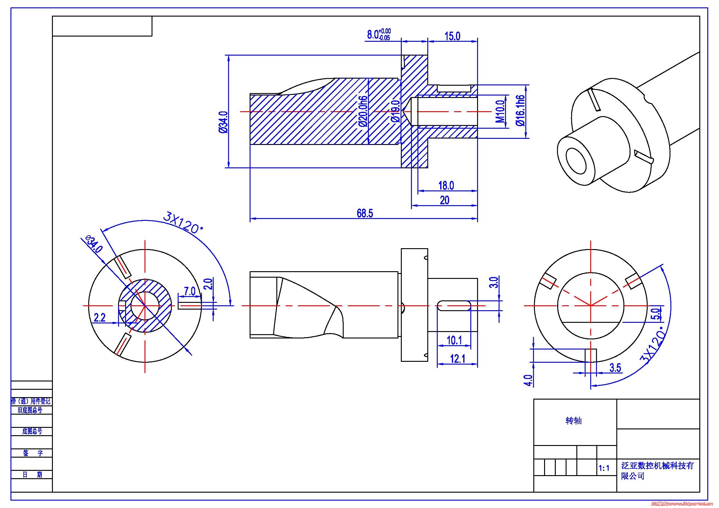
[求助] 请教附件转轴的螺旋槽是这么画的?

[复制链接]
发表于 2012-1-31 15:49:07 | 显示全部楼层 |阅读模式 来自: 中国江苏苏州

马上注册,结识高手,享用更多资源,轻松玩转三维网社区。

您需要 登录 才可以下载或查看,没有帐号?注册

x
大家新年好,又来打扰各位大侠了!
1 z7 P% q  H) J5 B请教各位大侠,附件转轴的螺旋槽是这么画的?! ?8 n! y2 R+ h
急!!!!!
7转轴 Model (1).jpg
发表于 2012-1-31 20:39:02 | 显示全部楼层 来自: 中国江苏镇江
虽然表达不是很充分,无法画出.有一条对于机械加工零件,应该掌握一个原则,怎么加工的就怎么画.就楼主的螺旋槽,就用实体扫描切除.应该不会错.
发表于 2012-1-31 20:39:37 | 显示全部楼层 来自: 中国江苏镇江
本帖最后由 syc102 于 2012-1-31 20:41 编辑 7 N5 ?' z" B# w3 ^0 z* m
: @" G/ x3 ]) D+ a' U* H9 H
不小心,点了两次.
发表于 2012-1-31 20:45:04 | 显示全部楼层 来自: 中国上海
草图加扫描不知可行否
发表回复
您需要登录后才可以回帖 登录 | 注册

本版积分规则


Licensed Copyright © 2016-2020 http://www.3dportal.cn/ All Rights Reserved 京 ICP备13008828号

小黑屋|手机版|Archiver|三维网 ( 京ICP备2023026364号-1 )

快速回复 返回顶部 返回列表