QQ登录

只需一步,快速开始

登录 | 注册 | 找回密码

三维网

 找回密码
 注册

QQ登录

只需一步,快速开始

展开

通知     

查看: 2285|回复: 4
收起左侧

[已答复] 这个零件的内腔尺寸能用一般机加工方法保证吗

[复制链接]
发表于 2011-10-28 09:51:58 | 显示全部楼层 |阅读模式 来自: 中国广东惠州

马上注册,结识高手,享用更多资源,轻松玩转三维网社区。

您需要 登录 才可以下载或查看,没有帐号?注册

x
本帖最后由 唐昕晨 于 2012-1-2 13:29 编辑 * D6 p) y' ^- T: q; g
/ O" @: P$ y8 B& m1 ^
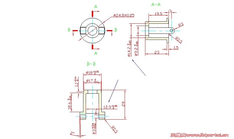
如图所示箭头指向的尺寸1 O8 j* W3 M) S5 y2 _
零件先铸毛坯,然后用一般机加工方法精确制造
4 L2 y$ E- ]+ a2 g$ U' i' B a.jpg
发表于 2011-10-28 18:24:32 | 显示全部楼层 来自: 中国广东东莞
1. 没加剖面线看的有点困难。感觉右视图和主视图不配匹:右视图右上面有3槽怎么主视图上没有东西?
; Q1 i8 V4 v0 K$ ~  C2. 内孔是非圆孔,不能用车、圆磨的方法加工。建议更改设计:将12.9加宽到大于14,如15、16。在内圆与平面相交加避空槽。这时可车、磨内孔。内平面基本上可铣出来,但刀杆较小可能有锥度(大刀杆会过切)。

评分

参与人数 1三维币 +5 收起 理由
唐昕晨 + 5 应助

查看全部评分

 楼主| 发表于 2011-10-28 21:22:52 | 显示全部楼层 来自: 中国广东广州
本帖最后由 fireonwood 于 2011-10-28 21:24 编辑
3 q1 q( _! u- c! I
$ P' _. y+ q7 r% P2 Y谢2楼。跟领导商量过了,可能要更改结构  ?: C$ K. n2 W8 g, o# ~- o2 J
回右视图的三槽答案:嘻嘻,删除logo漏删右视图了
发表于 2011-10-31 19:23:37 | 显示全部楼层 来自: 中国黑龙江哈尔滨
楼主可以用平钻头加工到留铰削余量0.3mm。0 T% F" ^# H7 z
然后用自制的12.9或者12.9-0.01的合金立铣刀加工。
, f$ x) p/ B6 e7 K2 Y这种我们没加工过,但是加工过孔是14mm 腔体是16.2的类似工件。* r& M6 Q/ ~9 a0 r' @
应该没有问题。
发表于 2011-12-3 21:16:37 | 显示全部楼层 来自: 中国安徽滁州
内孔先车床开粗,然后火花加工
发表回复
您需要登录后才可以回帖 登录 | 注册

本版积分规则


Licensed Copyright © 2016-2020 http://www.3dportal.cn/ All Rights Reserved 京 ICP备13008828号

小黑屋|手机版|Archiver|三维网 ( 京ICP备2023026364号-1 )

快速回复 返回顶部 返回列表