|
|

楼主 |
发表于 2011-10-12 15:15:17
|
显示全部楼层
来自: 中国广东东莞
* I5 U4 P3 N2 o) O0 p
: \& J) }7 C; p! ]9 B) L) [/ p谢谢!$ }. U# M" H# {9 F: b* [
% W, v( _& ]% M" f) P
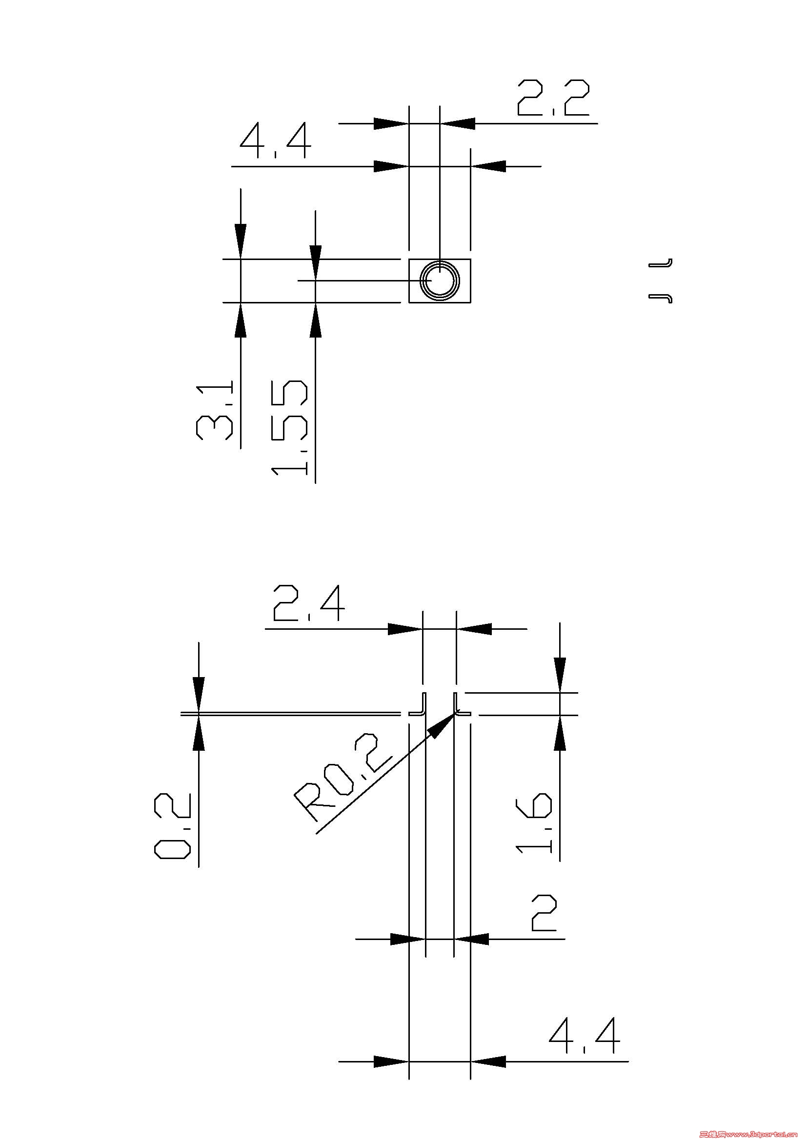
采用方案: 1>,冲预孔0.6mm 2>,后面拉深,共5站;3>冲内型孔;4>切外型(向下,出料方式顶出式,保证平面度)4 L5 L8 b4 ~$ ?; |
" `+ c* M9 T* _# U6 ~( f5 X6 W模具正在开模中," Z# J0 V+ D- }* t: G3 p
$ ^; q- a) g7 q6 x5 [5 @" n
可否帮忙抽空排样,参考下;(主要难点,不锈钢材料易裂,延展性差,公差平面度要求) |
|