QQ登录

只需一步,快速开始

登录 | 注册 | 找回密码

三维网

 找回密码
 注册

QQ登录

只需一步,快速开始

展开

通知     

查看: 3199|回复: 5
收起左侧

[已答复] 国内有哪些厂家可以做地热发电?

[复制链接]
发表于 2011-9-20 16:05:00 | 显示全部楼层 |阅读模式 来自: 中国四川成都

马上注册,结识高手,享用更多资源,轻松玩转三维网社区。

您需要 登录 才可以下载或查看,没有帐号?注册

x
本帖最后由 武昌鱼 于 2012-6-4 13:23 编辑
3 g7 l6 x9 N! ^4 Q  o
& [& u) k7 n& r0 ?. O0 D国内能供设备的厂家有哪些
HEAT BALANCE.jpg
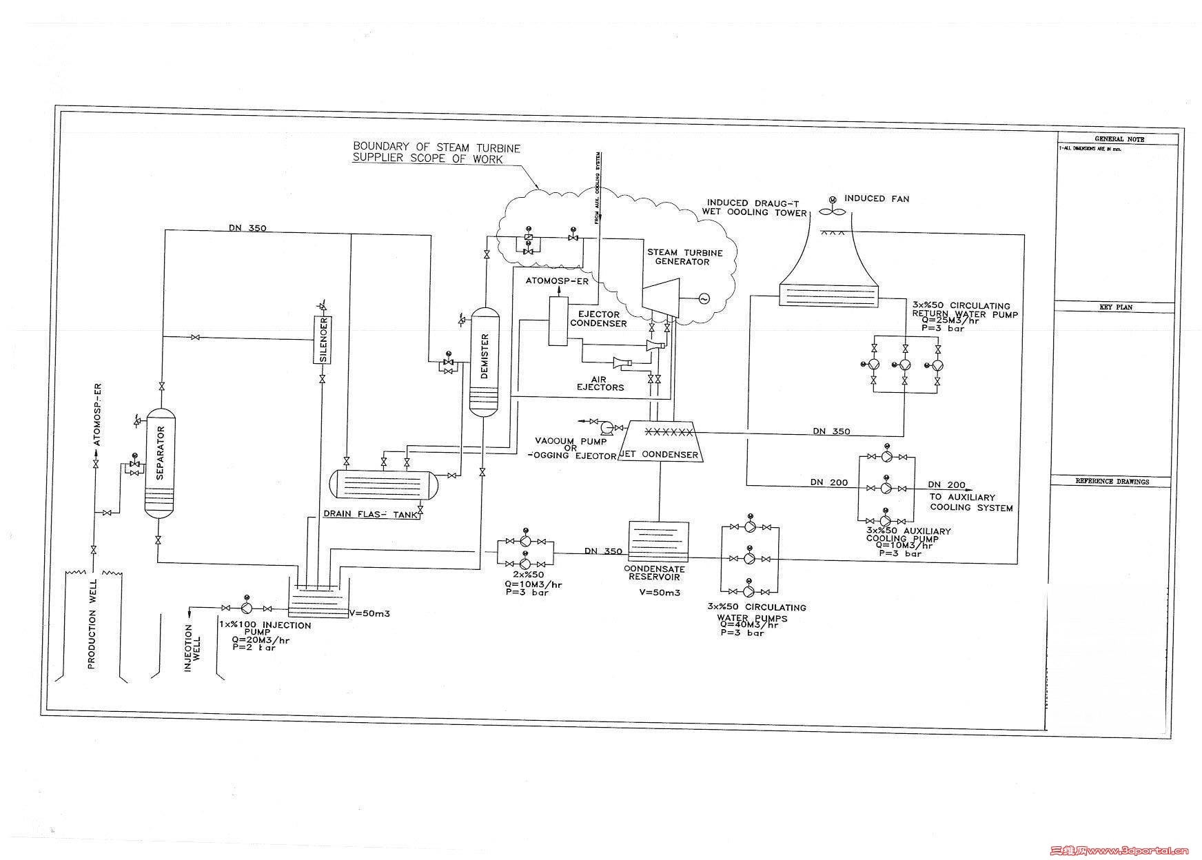
WATER SYSTEM.jpg
发表于 2011-10-16 08:50:14 | 显示全部楼层 来自: 中国山东
国内能供设备的厂家有哪些
. V3 v+ y  |  d& C- lcqxf 发表于 2011-9-20 16:05 http://www.3dportal.cn/discuz/images/common/back.gif
/ s  O* S+ H9 p2 l7 M8 \' w
有关地热问题建议您看看这篇文章2 w" |/ T# C1 d0 k6 F
地热发电30年徘徊不前 地热不“热”难题待解
发表于 2011-10-16 17:10:15 | 显示全部楼层 来自: 中国浙江杭州
安徽池州有一家,具体忘记了,地点是池州开发区。
发表于 2011-10-17 08:44:32 | 显示全部楼层 来自: 中国山东
安徽池州有一家,具体忘记了,地点是池州开发区。
# h! N4 W# V7 S! P3 q/ U7 F3 Gmotor1 发表于 2011-10-16 17:10 http://www.3dportal.cn/discuz/images/common/back.gif
安徽池州地热利用全省领先,但没有形成规模和企业连
发表于 2011-10-20 08:54:07 | 显示全部楼层 来自: 中国浙江杭州
这家公司有利用它上市的用途,温商
发表于 2012-5-31 21:46:49 | 显示全部楼层 来自: 中国江苏无锡
吉林省鸿晟光伏地热发电有限公司          这个不知道是不是
& a4 U4 l% a" ^) e: E2 ?; g3 f
" a" k5 n6 Z5 y0 ~9 p3 G楼上说的安徽池州的是  京奥  么?  他是主要生产制冷设备的,不过他掌握的地源热泵技术比较好的。! b0 `% W# C6 }- M6 T0 N
9 i# c  V6 N; o* j9 S9 _! P2 E
楼主,国内的地热发电技术还是不太成熟,有实际应用的大多是国家工程。$ S) w2 C2 b2 n: b% w+ j

7 X  B2 j$ B* O4 }就算有生产地热发电的厂家,技术方面肯定还是比较不成熟的。
发表回复
您需要登录后才可以回帖 登录 | 注册

本版积分规则


Licensed Copyright © 2016-2020 http://www.3dportal.cn/ All Rights Reserved 京 ICP备13008828号

小黑屋|手机版|Archiver|三维网 ( 京ICP备2023026364号-1 )

快速回复 返回顶部 返回列表