QQ登录

只需一步,快速开始

登录 | 注册 | 找回密码

三维网

 找回密码
 注册

QQ登录

只需一步,快速开始

展开

通知     

全站
6天前
查看: 1159|回复: 1
收起左侧

[讨论] 块的线条粗细问题

[复制链接]
发表于 2011-8-8 14:10:37 | 显示全部楼层 |阅读模式 来自: 中国江苏常州

马上注册,结识高手,享用更多资源,轻松玩转三维网社区。

您需要 登录 才可以下载或查看,没有帐号?注册

x
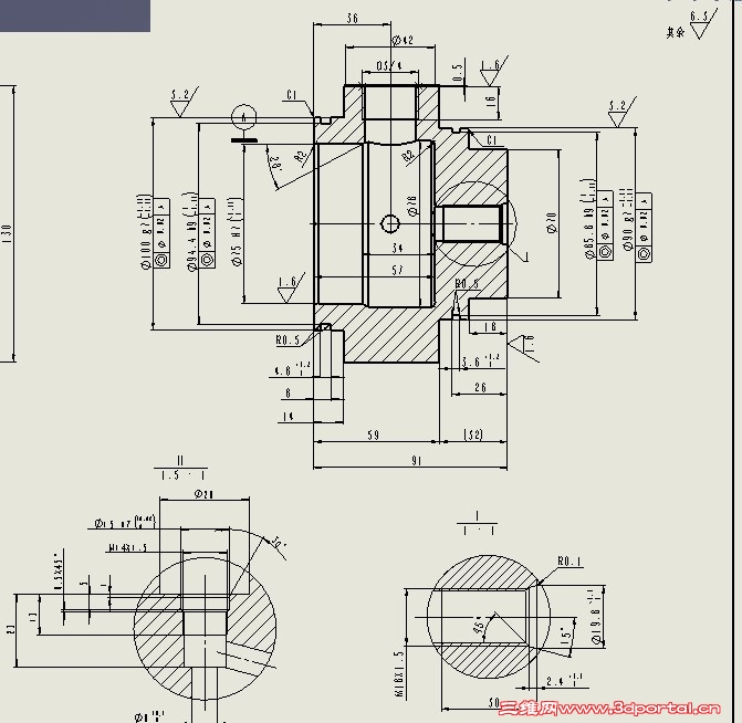
       有哪位师兄熟练运用SW里面的块命令吗?我弄了些块做标准图样,可等下次调用块时
5 f. e& l. B4 e/ u: q发现作为一个整体块,它不区分线条粗细(当然打散之后可以显示线条粗细的),我现在想
' ^' v7 t9 F% V+ v) R请问作为一个块在不打散的情况下能显示线条粗细吗?
/ c  _1 w& Y) P) H8 d. q 未命名.jpg
 楼主| 发表于 2011-8-8 14:11:53 | 显示全部楼层 来自: 中国江苏常州
图纸下面两个局部视图是调用的块,线条不区分粗细。
发表回复
您需要登录后才可以回帖 登录 | 注册

本版积分规则


Licensed Copyright © 2016-2020 http://www.3dportal.cn/ All Rights Reserved 京 ICP备13008828号

小黑屋|手机版|Archiver|三维网 ( 京ICP备2023026364号-1 )

快速回复 返回顶部 返回列表