QQ登录

只需一步,快速开始

登录 | 注册 | 找回密码

三维网

 找回密码
 注册

QQ登录

只需一步,快速开始

展开

通知     

全站
8天前
查看: 1558|回复: 7
收起左侧

[求助] 求一零件工艺流程

[复制链接]
发表于 2011-7-20 09:11:49 | 显示全部楼层 |阅读模式 来自: 中国江苏无锡

马上注册,结识高手,享用更多资源,轻松玩转三维网社区。

您需要 登录 才可以下载或查看,没有帐号?注册

x
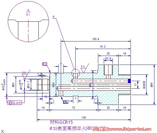
请教各位下面零件的加工工艺流程(要详细)
包括粗车精车,钻,磨,调质淬火等的先后程序。
未命名.jpg
发表于 2011-7-20 09:54:26 | 显示全部楼层 来自: 中国湖南岳阳
本帖最后由 TKG-09 于 2011-7-20 10:07 编辑
* x. \3 E7 S0 T+ ^: j( ~; u  x2 N" y4 ^: m
下料(或锻+球化退火)——粗车——(球化退火)——精车——钳(各孔)——高频淬火——粗磨——精磨
发表于 2011-7-20 10:43:00 | 显示全部楼层 来自: 中国山西太原
1  夹右端车左边各段外圆及端面,φ17和φ35段留余量。
$ }+ d# ~; i- d1 k4 h! R1 R& G7 w2  调头车右端各段外圆及端面,车螺纹(需有退刀槽)。
& l+ a" |7 Y: O& a9 V' |3  钳工划线、钻孔、攻丝。% o+ u; r$ M' f) \& l' d) n
4  φ35段高频淬火。
9 {7 w! b$ [. f2 b0 h6 [2 x2 M! u/ F5  磨φ17和φ35段。
 楼主| 发表于 2011-7-20 11:10:16 | 显示全部楼层 来自: 中国江苏无锡
谢谢大家的回答!" s9 r5 P6 I' O" t
再问一下,高频淬火可以达到多深,φ35处留多少磨量合适。3 T5 q; J' b9 }
图片遮住的地方是HRC60-65可以达到吗?
发表于 2011-7-20 11:23:31 | 显示全部楼层 来自: 中国湖南岳阳
本帖最后由 TKG-09 于 2011-7-20 11:28 编辑 / n; m7 G- l# ~8 _( n6 k7 P
( p; B9 I1 r% [+ `' D4 d, W3 |
GCr15高频淬火深度较大,可达5-15mm,硬度62-64HRC。
( c( ~) ?, u3 A- G35磨量0.4
1.jpg
3.jpg
发表于 2011-7-20 12:49:55 | 显示全部楼层 来自: 中国四川资阳
5# TKG-09
& S+ O5 }  h  `' e5 |6 @8 q8 a
4 m% \7 q2 H3 {# J- g请问 老师!% G$ P. Z( Z5 e
( c6 P' o7 f# u; ^1 [5 ^
这两张 图片(资料) 来自哪个 手册或资料名称...5 S3 |. T" [9 O

' b- D; h/ Q4 N学生好去下载..】8 }" ?- u/ G9 H' {2 Y7 N5 Q% j6 t
: k7 X6 C/ W* t4 o9 j. r$ T; J6 f

. v7 J0 i3 Y2 o/ S! L谢谢
发表于 2011-7-20 22:24:26 | 显示全部楼层 来自: 中国天津
挺好的,过来学习了啊
发表于 2011-7-23 17:59:18 | 显示全部楼层 来自: 中国江苏徐州
学无止境  学习下
发表回复
您需要登录后才可以回帖 登录 | 注册

本版积分规则


Licensed Copyright © 2016-2020 http://www.3dportal.cn/ All Rights Reserved 京 ICP备13008828号

小黑屋|手机版|Archiver|三维网 ( 京ICP备2023026364号-1 )

快速回复 返回顶部 返回列表