QQ登录

只需一步,快速开始

登录 | 注册 | 找回密码

三维网

 找回密码
 注册

QQ登录

只需一步,快速开始

展开

通知     

全站
5天前
查看: 2154|回复: 10
收起左侧

[求助] 这个图纸里的四条腿怎么画???

[复制链接]
发表于 2011-6-22 14:41:20 | 显示全部楼层 |阅读模式 来自: 中国山东济南

马上注册,结识高手,享用更多资源,轻松玩转三维网社区。

您需要 登录 才可以下载或查看,没有帐号?注册

x
本帖最后由 niushunli 于 2011-6-23 08:06 编辑
" r8 [; i& c) g3 J7 h' L- ]3 F; u
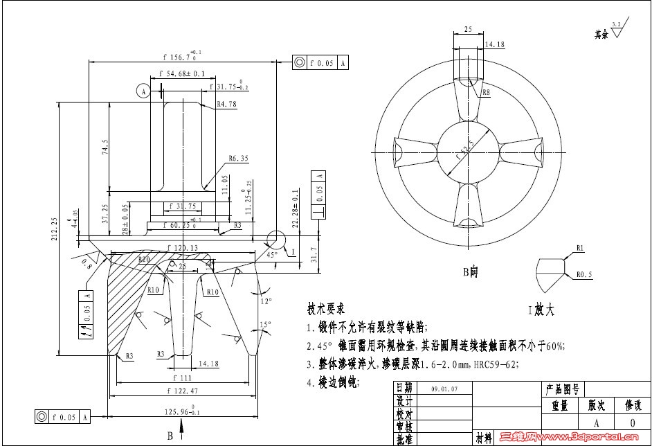
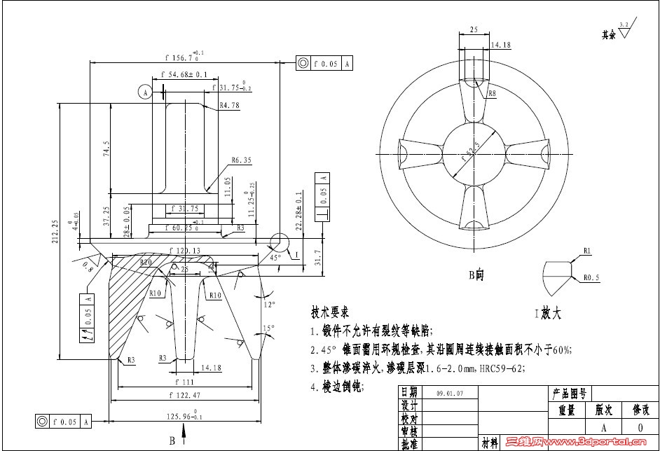
solidworks2010,请问这幅图的四条腿怎么画???
图纸.jpg
图纸.jpg

(1).pdf

476.73 KB, 下载次数: 90

 楼主| 发表于 2011-6-23 08:09:25 | 显示全部楼层 来自: 中国山东济南
怎么没有会的吗???急急急急急急急急!!!
发表于 2011-6-23 12:31:00 | 显示全部楼层 来自: 新西兰
做的不是很精确,因此就不附上文件了。! l6 H0 e4 x; Q) }& C. x/ a5 V9 h
Pic01.jpg
发表于 2011-6-23 12:33:36 | 显示全部楼层 来自: 新西兰
做的不是很精确,因此就不附上文件了。
- f3 e- j+ O0 c! i, Q 2 B& {; }3 e" y5 T3 D+ K( k
Pic01.jpg ) o) N' ~9 ?0 a; L* Q
Pic02.jpg
发表于 2011-6-23 13:03:41 | 显示全部楼层 来自: 中国黑龙江哈尔滨
主要是放样处理
 楼主| 发表于 2011-6-23 15:58:33 | 显示全部楼层 来自: 中国山东济南
做的不是很精确,因此就不附上文件了。
, n/ f$ W' Z) u9 Y0 c5 Y  l
* d0 k, p7 f4 s' o# I; `- y, J0 x1910568
0 L4 j: F6 z7 q7 s. N0 p8 G" o1910569
- l2 B  A  z! H8 Q" G" R! e: [) Z# B2 wggyy229 发表于 2011-6-23 12:33 http://www.3dportal.cn/discuz/images/common/back.gif
那一个R10的倒角还是没有体现出来啊?
未命名.jpg
发表于 2011-6-23 16:56:15 | 显示全部楼层 来自: 中国北京
接着上面的图圆角R10不就是了
 楼主| 发表于 2011-6-24 11:04:03 | 显示全部楼层 来自: 中国山东济南
接着上面的图圆角R10不就是了
" h; ^( \6 C0 O/ u' q% u0 `. L) M# na114977445 发表于 2011-6-23 16:56 http://www.3dportal.cn/discuz/images/common/back.gif
倒角根本就不行,出错。
 楼主| 发表于 2011-6-27 17:05:12 | 显示全部楼层 来自: 中国山东济南
还有没有人会 啊???
发表于 2011-7-3 12:47:28 | 显示全部楼层 来自: 中国山东济宁
你软件是哪儿弄得???有问题吗???是不是没破解好?
 楼主| 发表于 2011-7-4 09:56:40 | 显示全部楼层 来自: 中国山东济南
10# 别恋秋风 我晕,这不是软件的问题。
发表回复
您需要登录后才可以回帖 登录 | 注册

本版积分规则


Licensed Copyright © 2016-2020 http://www.3dportal.cn/ All Rights Reserved 京 ICP备13008828号

小黑屋|手机版|Archiver|三维网 ( 京ICP备2023026364号-1 )

快速回复 返回顶部 返回列表