QQ登录

只需一步,快速开始

登录 | 注册 | 找回密码

三维网

 找回密码
 注册

QQ登录

只需一步,快速开始

展开

通知     

全站
6天前
查看: 2483|回复: 10
收起左侧

[求助] 请教大家弯曲带加强筋的板怎么画?

[复制链接]
发表于 2011-6-15 20:01:20 | 显示全部楼层 |阅读模式 来自: 中国上海

马上注册,结识高手,享用更多资源,轻松玩转三维网社区。

您需要 登录 才可以下载或查看,没有帐号?注册

x
本帖最后由 choo 于 2011-6-16 08:33 编辑
6 [: \& q. \0 P& Z3 {; s( V5 A
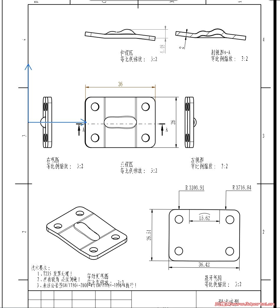
3 U$ d0 l4 k/ {  L+ s/ f# P本人新手,这个弯曲带加强筋的板怎么画啊,最好展开尺寸是多少也能帮忙解决。谢谢如下图: 无标题.jpg
发表于 2011-6-15 21:59:52 | 显示全部楼层 来自: 中国安徽芜湖
使用库特征
发表于 2011-6-16 00:18:07 | 显示全部楼层 来自: 中国重庆
这种东西要做样件来测才知道展开是多少
 楼主| 发表于 2011-6-16 08:34:11 | 显示全部楼层 来自: 中国上海
怎么用库特征?2楼能解说下吗?
发表于 2011-6-16 09:14:29 | 显示全部楼层 来自: 中国山东青岛
片体用拉伸,加强筋用压凹。
发表于 2011-6-16 14:46:09 | 显示全部楼层 来自: 中国上海
说的简单,做不出来!楼主的意思想得到展开图,怎么扯到库特征、加强筋上去了,画出来能得到展开尺寸吗?
发表于 2011-6-16 16:40:23 | 显示全部楼层 来自: 中国上海
本帖最后由 315186034 于 2011-6-16 16:53 编辑
" s9 E. y6 H' d4 c, K! R& i* C$ ]0 D1 W! y
大体试了一下,展开的变化不大,
1.jpg
2.jpg
3.jpg
4.jpg
5.jpg
6.jpg
发表于 2011-6-16 17:03:58 | 显示全部楼层 来自: 中国山东烟台
这是拉深变形,SW自带的钣金,不能准确的展开,^_^
发表于 2011-6-16 17:33:47 | 显示全部楼层 来自: 中国天津
这张图描述就不清楚,到底是加强筋还是压凹?用板金做出的板当然能展开,但有筋后是焊件了,就展不开了。压凹的话就用成型工具,就用到库特征了。
 楼主| 发表于 2011-6-16 17:59:01 | 显示全部楼层 来自: 中国上海
感谢315186034上传解答,感谢各位,顺便问下315186034 那个中间加强筋是用什么做的,看上去不像压凹,能上传个文件就好了。还想问下315186034 ,sw出图,如下图:怎么把那些看上去多余的竖条去掉红圈部分, 无标题a.jpg 无标题b.jpg
发表于 2011-6-17 09:46:07 | 显示全部楼层 来自: 中国上海
这是文档!

曲面测试成型.zip

1.31 MB, 下载次数: 58

发表回复
您需要登录后才可以回帖 登录 | 注册

本版积分规则


Licensed Copyright © 2016-2020 http://www.3dportal.cn/ All Rights Reserved 京 ICP备13008828号

小黑屋|手机版|Archiver|三维网 ( 京ICP备2023026364号-1 )

快速回复 返回顶部 返回列表