QQ登录

只需一步,快速开始

登录 | 注册 | 找回密码

三维网

 找回密码
 注册

QQ登录

只需一步,快速开始

展开

通知     

全站
8天前
查看: 2032|回复: 9
收起左侧

[求助] 分度销的结构

[复制链接]
发表于 2011-5-29 10:29:10 | 显示全部楼层 |阅读模式 来自: 中国江苏淮安

马上注册,结识高手,享用更多资源,轻松玩转三维网社区。

您需要 登录 才可以下载或查看,没有帐号?注册

x
各位:0 @+ e# g# f' e1 S% H
* a1 n$ u: d$ }7 Q
      分度销的原理和结构是怎样的?或哪些资料上有较详细的介绍。
发表于 2011-5-31 21:51:49 | 显示全部楼层 来自: 中国山东烟台
夹具设计手册上就应该有
发表于 2011-6-1 14:51:32 | 显示全部楼层 来自: 中国湖北鄂州
只要是有关夹具设计的书都有讲解
发表于 2011-6-10 11:28:29 | 显示全部楼层 来自: 中国浙江杭州
就是分度盘吧,可以分度装夹定位,属夹具类,里面也是个传动装置传动精度较高
发表于 2011-10-13 18:09:49 | 显示全部楼层 来自: 中国黑龙江哈尔滨
分度销? 就是分度盘吧
发表于 2011-10-19 14:10:22 | 显示全部楼层 来自: 中国香港
分度销是指在分度盘上作为固定工件使用的是定位销。夹具设计手册上有详细的设计。
发表于 2011-10-21 10:37:23 | 显示全部楼层 来自: 中国山西太原
分度销结构见下图,专用有售。
分度销.jpg
分度销2.jpg
发表于 2011-10-22 16:16:52 | 显示全部楼层 来自: 中国重庆
设计手册上有,如楼主所言,自行设计要好
发表于 2011-10-26 10:19:08 | 显示全部楼层 来自: 中国北京
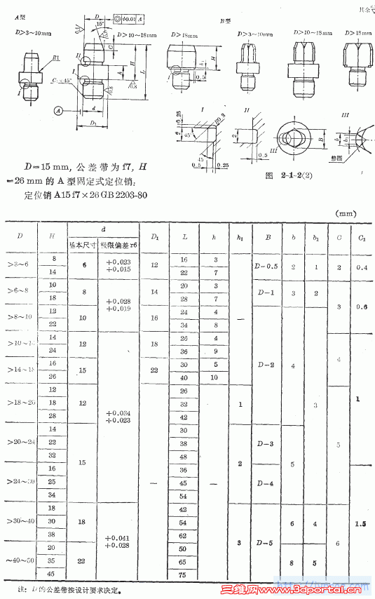
我提供你资料:
圆柱定位销和菱形定位销表.gif

圆柱孔定位误差分析及计算.rar

117.4 KB, 下载次数: 2

发表于 2011-10-27 11:50:55 | 显示全部楼层 来自: 中国湖北十堰
分度销的结构是要根据你设计的分度装置来确定
发表回复
您需要登录后才可以回帖 登录 | 注册

本版积分规则


Licensed Copyright © 2016-2020 http://www.3dportal.cn/ All Rights Reserved 京 ICP备13008828号

小黑屋|手机版|Archiver|三维网 ( 京ICP备2023026364号-1 )

快速回复 返回顶部 返回列表