QQ登录

只需一步,快速开始

登录 | 注册 | 找回密码

三维网

 找回密码
 注册

QQ登录

只需一步,快速开始

展开

通知     

全站
7天前
查看: 1588|回复: 2
收起左侧

[已解决] 人字齿 求助!!!

[复制链接]
发表于 2011-3-9 22:17:52 | 显示全部楼层 |阅读模式 来自: 中国上海

马上注册,结识高手,享用更多资源,轻松玩转三维网社区。

您需要 登录 才可以下载或查看,没有帐号?注册

x
本帖最后由 KT-KID 于 2011-3-11 13:32 编辑
# b1 i/ F. Z; S# H4 |5 M: b6 p  j7 C* L- b# e: V6 C- l
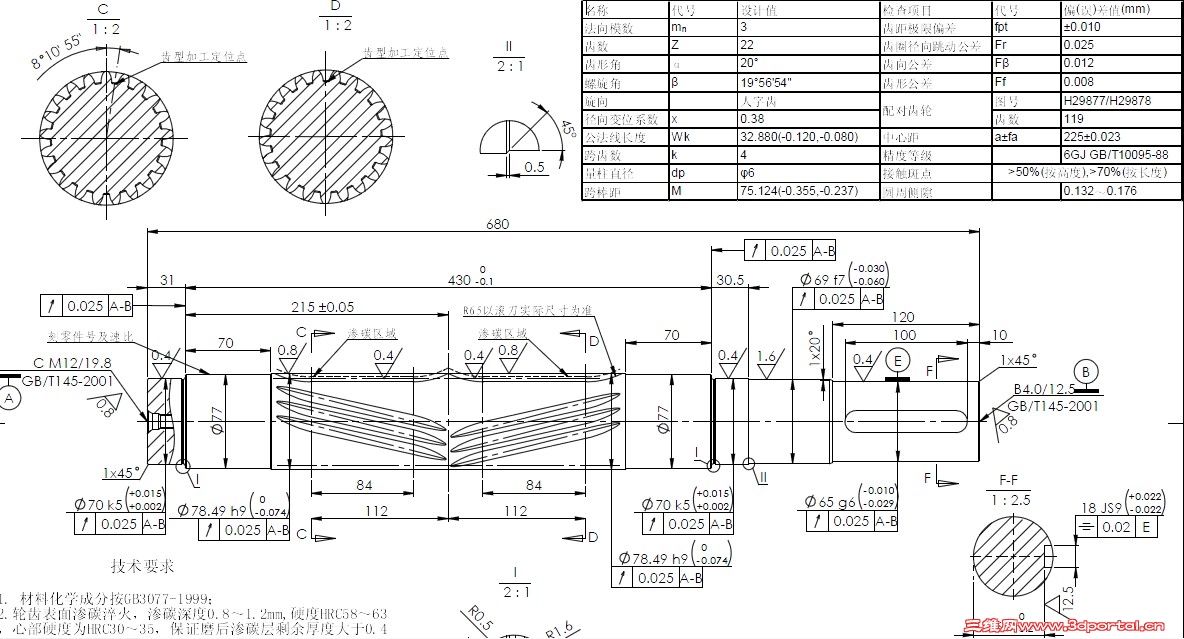
各位前辈帮小弟看看这个人字齿怎么画吧。。。研究了好几天用GEARTRAX也没能画出来。
QQ截图未命名.jpg
头像被屏蔽
发表于 2011-3-10 07:50:35 | 显示全部楼层 来自: 中国辽宁营口
提示: 作者被禁止或删除 内容自动屏蔽
发表于 2011-3-10 10:13:06 | 显示全部楼层 来自: 中国北京
愿意探讨这个问题的朋友请加118450606群,比较实际的一个齿轮轴零件。
发表回复
您需要登录后才可以回帖 登录 | 注册

本版积分规则


Licensed Copyright © 2016-2020 http://www.3dportal.cn/ All Rights Reserved 京 ICP备13008828号

小黑屋|手机版|Archiver|三维网 ( 京ICP备2023026364号-1 )

快速回复 返回顶部 返回列表