QQ登录

只需一步,快速开始

登录 | 注册 | 找回密码

三维网

 找回密码
 注册

QQ登录

只需一步,快速开始

展开

通知     

查看: 7302|回复: 24
收起左侧

[讨论] 螺纹倒角

[复制链接]
发表于 2011-2-24 16:51:58 | 显示全部楼层 |阅读模式 来自: 中国重庆

马上注册,结识高手,享用更多资源,轻松玩转三维网社区。

您需要 登录 才可以下载或查看,没有帐号?注册

x
若M10X1.5的螺纹孔口倒角为0.75X45°,则倒角大端为Φ10X90°还是Φ11.5X90°?
发表于 2011-2-24 20:39:58 | 显示全部楼层 来自: 中国上海
倒角为0.75X45°,意思就是倒角深度0.75,角度为45°,倒角大端尺寸为(底孔尺寸+2×0.75。)
发表于 2011-2-24 22:22:37 | 显示全部楼层 来自: 中国辽宁
大端都要比螺纹大径大一个0 h9 m) K0 o" j. }- }  d
日本产品都按照这个加工的' a, Y5 S9 D9 }8 {! E
选后者,11的

评分

参与人数 1三维币 +2 收起 理由
渔樵 + 2 应助

查看全部评分

 楼主| 发表于 2011-2-25 09:06:00 | 显示全部楼层 来自: 中国重庆
楼上怎知是个日本产品,实际是这样标的M10X1.5,孔口倒角0.25X45°,若是底孔加2X0.25则小于螺纹大径了。
发表于 2011-2-25 09:21:58 | 显示全部楼层 来自: 中国湖南岳阳
倒角大径(1-1.05)D。请参考手册。角度是120°
1.jpg
2.jpg

评分

参与人数 1三维币 +2 收起 理由
渔樵 + 2 应助

查看全部评分

发表于 2011-2-25 09:23:21 | 显示全部楼层 来自: 中国山东烟台
我认为倒角是底孔为基准开始倒角,倒角小于大径怎么了?没法倒吗?
发表于 2011-2-25 09:37:22 | 显示全部楼层 来自: 中国山西太原
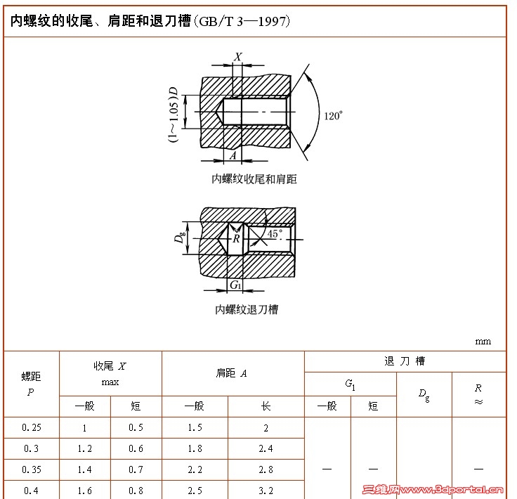
据GB/T 3-1997内螺纹倒的锥角为120°,螺距P=1~6mm的大端直径为D+0.5 (D为螺纹公称直径),应为Φ10.5mm。
内螺纹收尾、肩距和倒角.jpg

评分

参与人数 1三维币 +2 收起 理由
渔樵 + 2 技术讨论

查看全部评分

 楼主| 发表于 2011-2-25 11:20:11 | 显示全部楼层 来自: 中国重庆
想说的是已标好了的情况,如果如6楼说的底孔开倒,攻丝后还有倒角吗?
发表于 2011-2-25 11:54:25 | 显示全部楼层 来自: 中国山东青岛
路过学习学习
发表于 2011-2-25 15:14:37 | 显示全部楼层 来自: 中国上海
按照GB更有说服力
发表于 2012-8-27 21:16:15 | 显示全部楼层 来自: 中国江苏无锡
赞成2楼的说法
发表于 2012-8-27 21:42:50 | 显示全部楼层 来自: 中国陕西
螺纹孔的倒角应该比螺纹的大径大一些
发表于 2012-8-28 11:55:44 | 显示全部楼层 来自: 中国山东烟台
到现场看看你就知道了
发表于 2012-8-28 12:19:56 | 显示全部楼层 来自: 中国河南新乡
按国标要求加工,加工时一般比螺距稍大一点就行。
发表于 2012-8-28 16:18:45 | 显示全部楼层 来自: 中国上海
如果楼主所说的是产品还没有做,那没有疑问的是参考GB/T3国标,个人比较赞同7楼的观点。但如果是产品已经做好了,但客户提出有异议,那就要参考客户原图面标准要求,或客户所在国的螺纹倒角标准。
发表于 2012-8-29 08:51:22 | 显示全部楼层 来自: 中国山西太原
1003325069 发表于 2012-8-27 21:16 static/image/common/back.gif
( _0 H% ~' ?! t6 }& i1 x3 g赞成2楼的说法
( V/ X% M) x9 |! W% F( ^
在标准件上进行非标倒角,规范吗?不知你赞成什么!
发表于 2012-8-29 11:10:54 | 显示全部楼层 来自: 中国陕西
螺纹孔的加工一般都是先倒角后 加工螺纹的,倒角是为了螺纹装配方便,倒角后小于螺纹大径就没有什么意思了,象我们这儿要求的就是不能小于大径
发表于 2012-8-29 16:29:08 | 显示全部楼层 来自: 中国山东烟台
gaoyns 发表于 2011-2-25 09:37 static/image/common/back.gif
( w: M- ?4 D8 [  G+ r6 s据GB/T 3-1997内螺纹倒的锥角为120°,螺距P=1~6mm的大端直径为D+0.5 (D为螺纹公称直径),应为Φ10.5mm。 ...

9 H. w/ R, H' f" ^$ U' f. M就是这个标准,我一般不标,工艺就控制了
发表于 2012-9-8 09:46:56 | 显示全部楼层 来自: 中国江苏常州
我感觉17楼说的比较有道理,顶一下!
发表于 2012-9-10 21:51:42 | 显示全部楼层 来自: 中国上海
17楼说的有道理么?把难题出给操作工,你都说不清楚让操作工怎么做?
1 G7 V+ p% z3 l; \/ M0 G2楼说的是正确的,别拿什么标准,倒角是0.75X45‘,直径上就大了2X0.75,也就是内径+1.5,正确答案是11.5,
' j8 G! l: d# B4 A: S( n17楼是做技术的吗?要用数据说话,要弄清标准和图纸要求,别模糊过去就好了,退货的时候你说不清的。
发表于 2012-9-10 21:52:50 | 显示全部楼层 来自: 中国上海
对不起了,应该说的是18楼
发表于 2012-9-13 12:21:37 | 显示全部楼层 来自: 中国江苏南京
Φ11.5X90°" M, U0 u5 |6 R; H  r4 X
应该比螺纹大径大
发表于 2012-9-14 20:04:47 | 显示全部楼层 来自: 美国
20楼的兄弟,正确答案是11.5?不知道你如何得出的这个结论?加工M10的螺纹,底孔直径可能是10吗?兄弟还是把这些搞搞清楚再说话。告诉你我工艺程序都做,DNC传到床子上操作人员执行就行了。感觉兄弟好像没做过这些,一般螺纹都是带公差的,你要根据公差算出螺纹底孔或基圆的直径(经验公式也可以,如D-0.13P之类的),而不是直接拿公称直径来说话
发表于 2012-9-14 20:12:05 | 显示全部楼层 来自: 美国
真要说具体数值是多少,先根据螺纹公差计算出螺纹底孔直径(经验公式也可以),在此基础上做0.75X45°的倒角就好了,相当于螺纹底孔直径+1.5,这才是倒角大端的直径
发表于 2012-9-14 20:16:08 | 显示全部楼层 来自: 美国
本帖最后由 5405964 于 2012-9-14 20:31 编辑 $ d$ P. K0 n  b; V1 H

) d  a7 O/ a) z% u* Q/ {1 f一般的原则,内孔倒角后的直径不能小于螺纹的大径,如果不能满足,那么0.75就不合理,应该取大些,这是设计就应该注意的问题。但一般说起来按照国标选择就必然满足前述条件,作为设计按国标来选就可以了。
发表回复
您需要登录后才可以回帖 登录 | 注册

本版积分规则


Licensed Copyright © 2016-2020 http://www.3dportal.cn/ All Rights Reserved 京 ICP备13008828号

小黑屋|手机版|Archiver|三维网 ( 京ICP备2023026364号-1 )

快速回复 返回顶部 返回列表